Features: • Terminated RF Output• High Isolation: 35 dB upto 2 GHz• Positive Control• Nanosecond Switching Speed• CMOS Compatible Logic• Low Cost SOIC 8 Plastic PackageApplicationSpecifications Parameter Absolute Maximum Input PowerOperating Volta...
SW-394: Features: • Terminated RF Output• High Isolation: 35 dB upto 2 GHz• Positive Control• Nanosecond Switching Speed• CMOS Compatible Logic• Low Cost SOIC 8 Plastic P...
SeekIC Buyer Protection PLUS - newly updated for 2013!
268 Transactions
All payment methods are secure and covered by SeekIC Buyer Protection PLUS.
• Terminated RF Output
• High Isolation: 35 dB upto 2 GHz
• Positive Control
• Nanosecond Switching Speed
• CMOS Compatible Logic
• Low Cost SOIC 8 Plastic Package

|
Parameter |
Absolute Maximum |
|
Input Power |
+34 dBm +8.5 Volts -40°C to +85°C -65°C to +150°C |
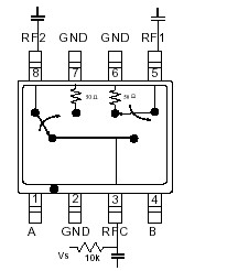
M/A-COM's SW-394 is a GaAs monolithic SPDT terminated switch in a low cost SOIC 8-lead plastic package. The SW-394 is ideally suited for use where low power consumption and high isolation are required. Typical applications include transmit/receive switching, switch matrices and switched filter banks in systems such as radio and cellular equipment.
The SW-394 is fabricated using a mature 1-micron gate length GaAs MESFET process. The process features full chip passivation for increased performance and reliability.