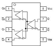
Features: 3.3V and 5V power supply options 265ps propagation delay 5ps skew between outputs High bandwidth output transitions Internal 75K input pull-down resistors Replaces SY10/100EL11 Improved output waveform characteristics Available in 8-pin SOIC packagePinoutSpecifications Symbol Ratin...
SY100EL11V: Features: 3.3V and 5V power supply options 265ps propagation delay 5ps skew between outputs High bandwidth output transitions Internal 75K input pull-down resistors Replaces SY10/100EL11 Improved ou...
SeekIC Buyer Protection PLUS - newly updated for 2013!
268 Transactions
All payment methods are secure and covered by SeekIC Buyer Protection PLUS.
DescriptionThe SY10/100E111 are low skew 1-to-9 differential drivers designed for clock distributi...

| Symbol | Rating | Value | Unit |
| VCC | Power Supply Voltage (VEE = 0) | +6.0 to 0 | V |
| VEE | Power Supply Voltage (VCC = 0) | -6.0 to 0 | V |
| VIN | Input Voltage (VCC = 0V, VIN not more negative than VEE) Input Voltage (VEE = 0V, VIN not more positive than VCC) |
-6.0 to 0 +6.0 to 0 |
V V |
| IOUT | Output Current Continuous Surge |
50 100 |
mA |
| TA | Operating Temperature Range | -40 to +85 | °C |
| TLEAD | Lead Temperature (soldering, 20 sec.) | +260 | °C |
| TSTORE | Storage Temperature Range | -65 to +150 | °C |
| JA | Thermal Resistance (Junction-to-Ambient) Still Air 500lfp |
160 109 |
°C/W °C/W |
| JC | Thermal Resistance (Junction-to-Case) | 39 | °C/W |
| ESD | Mil Std. 883 Human Body Model, All Pins | >1.5K | V |
The SY10/SY100EL11V are 1:2 differential fanout gates. These devices are functionally similar to the E111A/L devices, with higher performance capabilities. Having within-device skews and output transition times significantly improved over the E111A/L, the EL11V is ideally suited for those applications which require the ultimate in AC performance.
The differential inputs of the SY100EL11V employ clamping circuitry to maintain stability under open input conditions. If the inputs are left open (pulled to VEE), the Q outputs will go LOW.