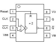
Features: 3.3V and 5V power supply options 510ps propagation delay 3.0GHz toggle frequency High bandwidth output transistions Internal 75K input pull-down resistors Available in 8-pin SOIC packagePinoutDescriptionThe SY10EL32V/100EL32V are integrated ÷2 dividers. The differential clock inputs and...
SY10EL32V: Features: 3.3V and 5V power supply options 510ps propagation delay 3.0GHz toggle frequency High bandwidth output transistions Internal 75K input pull-down resistors Available in 8-pin SOIC packageP...
SeekIC Buyer Protection PLUS - newly updated for 2013!
268 Transactions
All payment methods are secure and covered by SeekIC Buyer Protection PLUS.
DescriptionThe SY10/100E111 are low skew 1-to-9 differential drivers designed for clock distributi...

The SY10EL32V/100EL32V are integrated ÷2 dividers. The differential clock inputs and the VBB allow a differential, single-ended or AC-coupled interface to the SY10EL32V. If used, the VBB output should be bypassed to ground with a 0.01F capacitor. Also note that the VBB is designed to be used as an input bias on the EL32V only; the VBB output has limited current sink and source capability.
The reset pin is asynchronous and is asserted on the rising edge. Upon power-on, the internal flip-flop will attain a random state; the reset allows for the synchronization of multiple SY10EL32V's in a system.