Features: • Output voltage tolerance ± 2 %• Very low current consumption• Early warning• Reset output low down to VQ = 1 V• Overtemperature protection• Reverse polarity proof• Settable reset threshold• Very low-drop voltage• Wide temperature ra...
TLE 4279: Features: • Output voltage tolerance ± 2 %• Very low current consumption• Early warning• Reset output low down to VQ = 1 V• Overtemperature protection• Reverse po...
SeekIC Buyer Protection PLUS - newly updated for 2013!
268 Transactions
All payment methods are secure and covered by SeekIC Buyer Protection PLUS.
Features: • Drives motors up to 2 A• Integrated free-wheeling diodes 2.5 A• Shor...


| Parameter | Symbol | Limit Values | Unit | Remarks | |
| min. | max. | ||||
| Input | |||||
| Voltage | VL |
-42 | 45 | V | - |
| Current | II | - | - | mA | internally limited |
| Output Q | |||||
| Voltage | VQ |
-0.3 | 45 | V | |
| Current | IQ | - | - | A | - |
| Reset Output | |||||
| Voltage | VR | -0.3 | 7 | V | - |
| Current | IR | - | - | - |
internally limited |
| Reset Delay D | |||||
| Voltage | VD | -0.3 | 7 | V | |
| Current | ID | - | - | - | internally limited |
| Sense Output | |||||
| Voltage | VSO | - 03 | 7 | V | |
| Current | ISO | - | - | - | internally limited |
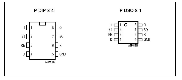
This TLE 4279 is a voltage regulator with a fixed 5-V output, e.g. in a P-DSO-8-1 package. The maximum operating voltage is 45 V. The output is able to drive a 150 mA load. It is short circuit protected and the thermal shutdown switches the output off if the junction temperature is in excess of 150 °C. A reset signal is generated for an output voltage of VQ < 4.6 V. The reset threshold voltage can be decreased by external connection of a voltage divider.
The reset delay time can be set by an external capacitor. If the application requires pull up resistors at the logic outputs (Reset, Sense Out) the TLE TLE 4279 with integrated resistors can be used. It is also possible to supervise the input voltage by using an integrated comparator to give a low voltage warning.