Features: 4-pin SOP (2.54SOP4): Height = 2.1 mm, pitch = 2.54 mm Normally open (1-form-A) device Peak off-state voltage: 60 V (min) Trigger LED current: 3 mA (max) On-state current: 400 mA (max) On-state resistance: 2 (max) Isolation voltage: 1500 Vrms (min) UL recognized: UL1557, File No.E67349P...
TLP172A: Features: 4-pin SOP (2.54SOP4): Height = 2.1 mm, pitch = 2.54 mm Normally open (1-form-A) device Peak off-state voltage: 60 V (min) Trigger LED current: 3 mA (max) On-state current: 400 mA (max) On-...
SeekIC Buyer Protection PLUS - newly updated for 2013!
268 Transactions
All payment methods are secure and covered by SeekIC Buyer Protection PLUS.
4-pin SOP (2.54SOP4): Height = 2.1 mm, pitch = 2.54 mm
Normally open (1-form-A) device
Peak off-state voltage: 60 V (min)
Trigger LED current: 3 mA (max)
On-state current: 400 mA (max)
On-state resistance: 2 (max)
Isolation voltage: 1500 Vrms (min)
UL recognized: UL1557, File No.E67349

|
Characteristic |
Symbol |
Rating |
Unit | |
|
LED |
Forward current |
IF |
50 |
mA |
|
Forward current derating (Ta 25°C) |
IF/°C |
-0.5 |
mA/°C | |
|
Reverse voltage |
VR |
5 |
V | |
|
Junction temperature |
Tj |
125 |
mW | |
|
Detector |
Off-state output terminal voltage |
VOFF |
60 |
V |
|
On-state current |
ION |
400 |
mA | |
|
Forward current derating (Ta 25°C) |
ION/°C |
-4.0 |
mA/°C | |
|
Junction temperature |
Tj |
125 |
°C | |
| Storage temperature range |
Tstg |
-55 to 125 |
°C | |
|
Operating temperature |
Topr |
-40 to 85 |
°C | |
|
Lead solder temperature (10s) |
Tsol |
260 |
°C | |
|
Isolation voltage(AC, 1 min, R.H. 60%) (Note 1) |
BVS |
1500 |
Vrms | |
Note 1: LED pins are shorted together. Detector pins are also shorted together.
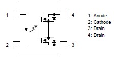
The Toshiba TLP172A consists of a gallium arsenide infrared emitting diode optically coupled to a photo-MOSFET in a 4-pin SOP package. This photorelay has higher output current rating than phototransistor-type photocoupler; hence, it is suitable for use as On/Off control for high current.