Features: • 6 pin SOP (2.54SOP6) : 2.1 mm high, 2.54 mm pitch• 1-Form-A• Peak Off-State Voltage : 200 V (min)• Trigger LED Current : 3 mA (max)• On-State Current : 50 mA (max)• On-State Resistance : 50 ohm (max)• Output Capacitance : 20 pF (max)• Iso...
TLP199D: Features: • 6 pin SOP (2.54SOP6) : 2.1 mm high, 2.54 mm pitch• 1-Form-A• Peak Off-State Voltage : 200 V (min)• Trigger LED Current : 3 mA (max)• On-State Current : 50 m...
SeekIC Buyer Protection PLUS - newly updated for 2013!
268 Transactions
All payment methods are secure and covered by SeekIC Buyer Protection PLUS.

| CHARACTERISTIC | SYMBOL | RATING | UNIT | ||
| LED | Forward Current Forward Current Derating (Ta 25) Reverse Voltage Junction Temperature |
IF IF/ VR Tj |
50 −0.5 5 125 |
mA mA/ V | |
| DETECTOR | Off-State Output Terminal Voltage | VOFF | 200 | V | |
| On-State Current | A Connection B Connection C Connection |
ION | 50 50 100 |
mA | |
| On-State Current Derating (Ta 25) |
A Connection B Connection C Connection |
ION/ | −0.5 −0.5 −1.0 |
mA/ | |
| Junction Temperature | Tj | 125 | |||
| Storage Temperature Range Operating Temperature Range Lead Soldering Temperature (10 s) Isolation Voltage (AC, 1 minute, R.H. 60%) (NOTE1) |
Tstg Topr Tsol BVS |
−55~125 −40~85 260 1500 |
|||
Note: Using continuously under heavy loads (e.g. the application of high temperature/current/voltage and the significant change in temperature, etc.) may cause this product to decrease in the reliability significantly even if the operating conditions (i.e. operating temperature/current/voltage, etc.) are within the absolute maximum ratings.
Please design the appropriate reliability upon reviewing the Toshiba Semiconductor Reliability Handbook ("Handling Precautions"/"Derating Concept and Methods") and individual reliability data (i.e. reliability test report and estimated failure rate, etc).
(NOTE1) : Device considered a two-terminal device : LED side pins are shorted together, and DETECTOR side pins
are shorted together.
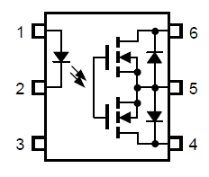
The TOSHIBA TLP199D consist of a gallium arsenide infrared emitting diode optically coupled to a photo-MOS FET in a plastic SOP package. Its characteristics include low OFF-state current and low output pin capacitance, enabling it to be used in high-frequency measurement instruments.