Features: Peak output current: ±0.6 A (max) Guaranteed performance over temperature: −40 to 100°C Supply current: 2 mA (max) Power supply voltage: 10 to 30 V Threshold input current : IF = 5 mA (max) Switching time (tpLH/tpHL) : 700 ns (max) Common mode transient immunity: 10 kV/s Isolation...
TLP351: Features: Peak output current: ±0.6 A (max) Guaranteed performance over temperature: −40 to 100°C Supply current: 2 mA (max) Power supply voltage: 10 to 30 V Threshold input current : IF = 5 ...
SeekIC Buyer Protection PLUS - newly updated for 2013!
268 Transactions
All payment methods are secure and covered by SeekIC Buyer Protection PLUS.
Features: · Peak Off-State Voltage : 400 V (min)· Trigger LED Current : 15 mA (max) (TLP3021(S)) 1...
Peak output current: ±0.6 A (max)
Guaranteed performance over temperature: −40 to 100°C
Supply current: 2 mA (max)
Power supply voltage: 10 to 30 V
Threshold input current : IF = 5 mA (max)
Switching time (tpLH/tpHL) : 700 ns (max)
Common mode transient immunity: 10 kV/s
Isolation voltage: 3750 Vrms

|
Characteristic |
Symbol |
Rating |
Unit | |
|
LED |
Forward current |
IF |
50 |
mA |
|
Forward current derating (Ta 85°C) |
IF/Ta |
-0.54 |
mA /°C | |
|
Peak transient forward current (Note 1) |
IFP |
1 |
A | |
|
Reverse voltage |
VR |
5 |
V | |
|
Junction temperature |
Tj |
125 |
°C | |
|
Detector |
Off-state output terminal voltage |
VDRM |
600 |
V |
|
"H" peak output current (Note 2) |
IOPH |
-0.6 |
A | |
|
"L" peak output current (Note 2) |
IOPL |
0.6 |
A | |
|
Output voltage |
VO |
35 |
V | |
|
Supply voltage |
VCC |
35 |
V | |
|
Junction temperature |
Tj |
125 |
°C | |
|
Operating frequency (Note 3) |
f |
25 |
kHz | |
| Storage temperature range |
Tstg |
-55 to 125 |
°C | |
|
Operating temperature range |
Topr |
-40 to 100 |
°C | |
|
Lead soldering temperature (10 s) (Note 4) |
Tsol |
260 |
°C | |
|
Isolation voltage (AC, 1 minute, R.H. 60%) (Note 5) |
BVS |
3750 |
Vrms | |
Note 1: Pulse width PW 1 s, 300 pps
Note 2: Exponential waveform pulse width PW 10 s, f 15 kHz
Note 3: Exponential waveform IOPH -0.4 A ( 2.0 s), IOPL +0.4 A ( 2.0 s),Ta = 100°C
Note 4: It is 2 mm or more from a lead root.
Note 5: Device considerd a two terminal device: pins 1, 2, 3 and 4 shorted together, and pins 5, 6, 7 and 8 shorted together.
Note 6: A ceramic capacitor(0.1 F) should be connected from pin 8 to pin 5 to stabilize the operation of the high gain linear amplifier. Failure to provide the bypassing may impair the switching property.
The total lead length between capacitor and coupler should not exceed 1 cm.
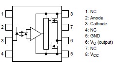
The TOSHIBA TLP351 consists of a GaAℓAs light emitting diode and a integrated photodetector.
This unit is 8-lead DIP package.
TLP351 is suitable for gate driving circuit of IGBT or power MOS FET.
Especially TLP351 is capable of "direct" gate drive of lower Power IGBTs.