Features: ` Low ON-State Resistance (10 )` Control Inputs Are 5-V Tolerant` Low Charge Injection` Excellent ON-State Resistance Matching` Low Total Harmonic Distortion (THD)` 1.65-V to 5.5-V Single-Supply Operation` Latch-Up Performance Exceeds 100 mA Per JESD 78, Class II` ESD Performance Tested ...
TS5A2066: Features: ` Low ON-State Resistance (10 )` Control Inputs Are 5-V Tolerant` Low Charge Injection` Excellent ON-State Resistance Matching` Low Total Harmonic Distortion (THD)` 1.65-V to 5.5-V Single-...
SeekIC Buyer Protection PLUS - newly updated for 2013!
268 Transactions
All payment methods are secure and covered by SeekIC Buyer Protection PLUS.

|
MIN |
MAX |
UNIT | |||
|
V+ |
Supply voltage range(3) |
0.5 |
6.5 |
V | |
|
VNO VCOM |
Analog voltage range(3) (4) (5) |
0.5 |
V+ + 0.5 |
V | |
|
IK |
Analog port diode current | VNO, VCOM < 0 or VNO, VCOM > V+ |
-50 |
50 |
mA |
|
INO ICO |
On-state switch current | VNO, VCOM = 0 to V+ |
-50 |
50 |
mA |
|
VI |
Digital input voltage range(3) (4) |
0.5 |
6.5 |
V | |
|
IIK |
igital input clamp current | VI < 0 |
-50 |
mA | |
|
I+ |
Continuous current through V+ |
100 |
mA | ||
|
IGND |
Continuous current through GND |
-100 |
100 |
mA | |
|
JA |
Package thermal impedance(6) | DCT package |
220 |
°C/W | |
| DCU package |
227 | ||||
| YEP/YZP package |
102 | ||||
|
Tstg |
Storage temperature range |
-65 |
150 |
°C | |
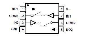
TS5A2066 siws itcah dtuhaalt sisingdlees-pigonleedsitnogloep-tehrraotwe from 1.65 V to 5.5 V. This device can handle both digital and analog signals, and signals up to V+ can be transmitted in either direction.