Features: • 3 V SINGLE SUPPLY VOLTAGE• LOW CURRENT DISSIPATION: ICC = 7 mA TYP• HIGH CONVERSION GAIN: 80 dB TYP• OUTPUT LIMITING: 450 mV p-p• WIDE BAND OPERATION UP TO 500 MHz• AGC: 19 dB TypicalPinoutSpecifications SYMBOLS PARAMETERS UNITS RATINGS ...
UPC2753GR: Features: • 3 V SINGLE SUPPLY VOLTAGE• LOW CURRENT DISSIPATION: ICC = 7 mA TYP• HIGH CONVERSION GAIN: 80 dB TYP• OUTPUT LIMITING: 450 mV p-p• WIDE BAND OPERATION UP TO ...
SeekIC Buyer Protection PLUS - newly updated for 2013!
268 Transactions
All payment methods are secure and covered by SeekIC Buyer Protection PLUS.
Features: ` Output current in excess of 2.0 A` High accuracy of output voltage VO = ±2% MAX. (TJ =...
Features: ` Output current in excess of 2.0 A` High accuracy of output voltage VO = ±2% MAX. (TJ =...

| SYMBOLS | PARAMETERS | UNITS | RATINGS |
| VCC | Supply Voltage | V | 4.0 |
| PT | Power Dissipation | mW | 433 |
| ICC | Total Supply Current | mA | 20 |
| TOP | Operating Temperature | °C | -40 to +85 |
| TSTG | Storage Temperature | °C | -65 to +150 |
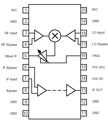
The UPC2753GR is a frequency converter manufactured with the NESAT III process. This product consists of an RF input amplifier, Gilbert cell mixer, LO input buffer, IF amplifier with AGC, external filter port, and IF output limiting amplifier.
This device was specifically designed for low cost GPS recievers, mobile radios, and PCN applications.
NEC's stringent quality assurance and test procedures assure the highest reliability and performance.