Features: • OPERATING FREQUENCY: 50 to 150 MHz• I/Q INPUT FREQUENCY RANGE: DC to 500 kHz• DIGITAL 90° PHASE SHIFTER• ALLOWABLE BIAS VOLTAGE: 2.7 to 5.5 V• POWER SAVE: SLEEP MODE• SMALL SIZE SSOP20 SURFACE MOUNT PACKAGE• TAPE AND REEL PACKAGING OPTION AVA...
UPC8101GR: Features: • OPERATING FREQUENCY: 50 to 150 MHz• I/Q INPUT FREQUENCY RANGE: DC to 500 kHz• DIGITAL 90° PHASE SHIFTER• ALLOWABLE BIAS VOLTAGE: 2.7 to 5.5 V• POWER SAVE: ...
SeekIC Buyer Protection PLUS - newly updated for 2013!
268 Transactions
All payment methods are secure and covered by SeekIC Buyer Protection PLUS.

| SYMBOLS | PARAMETERS | UNITS | RATINGS |
| VCC | Supply Voltage | V | 6.0 |
| PD | Power Dissipation2 | mW | 530 |
| TOP | Operating Temperature | °C | -20 to +70 |
| TSTG | Storage Temperature | °C | -65 to +150 |
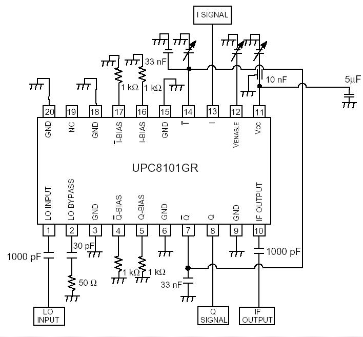
The UPC8101GR is a Silicon Monolithic Integrated Circuit (MMIC) which is manufactured using NEC's 20 GHz fT NESAT III process. The Quadrature Modulator was designed for digital mobile communications in general, and the CT2 band requirements in particular. Operating on DC bias voltages as low as 2.7 volts, this IC is ideal for handheld/portable designs.
The UPC8101GR takes an external LO signal, and digitally divides its frequency by two to generate the quadrature LO required for the dual internal mixer circuits. These mixers also receive external in-phase (I) and quadrature (Q) signals. The up-converted outputs of the mixers are combined in a differential output amplifier. The resultant output signal is at frequency of fLO/2 + fI/Q. Buffers are provided at the LO, I and Q inputs, and filtering is provided between the digital frequency divider and the mixers. The device can be powered down by grounding the Enable pin.
NEC's stringent quality assurance and test procedures ensure the highest reliability and performance.