Features: • WIDE SUPPLY VOLTAGE RANGE: 2.7 ~ 5.5 V• BROADBAND OPERATION: MODOUT = 100 - 400 MHz, I/Q = DC to 10 MHz• INTERNAL 90° PHASE SHIFTER• POWER SAVE FUNCTION• LOW POWER CONSUMPTION: 16 mA Typ. @ 3 V• SMALL SSOP 16 PACKAGE• TAPE AND REEL PACKAGING AV...
UPC8105GR: Features: • WIDE SUPPLY VOLTAGE RANGE: 2.7 ~ 5.5 V• BROADBAND OPERATION: MODOUT = 100 - 400 MHz, I/Q = DC to 10 MHz• INTERNAL 90° PHASE SHIFTER• POWER SAVE FUNCTION• LO...
SeekIC Buyer Protection PLUS - newly updated for 2013!
268 Transactions
All payment methods are secure and covered by SeekIC Buyer Protection PLUS.

|
SYMBOLS |
PARAMETERS |
UNITS |
RATINGS |
|
VCC |
Supply Voltage |
V |
6.0 |
|
VPS |
Enable Voltage forPower Save |
V |
6.0 |
|
PD |
Power Dissipation2 |
mW |
530 |
|
TOP |
Operating Temperature |
-40 to +85 | |
|
TSTG |
Storage Temperature |
-65 to +150 |
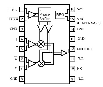
The UPC8105GR Silicon MMIC I/Q Modulator is manufactured using the NESAT III MMIC process. The NESAT III process produces transistors with fT approaching 20 GHz. The device was designed for use in Digital Mobile Communications circuits such as 900 MHz Digital Cordless and Cellular Phones, WLAN and PCN/PCS Handset Transmitters.
NEC's stringent quality assurance and test procedures ensure the highest reliability and performance.