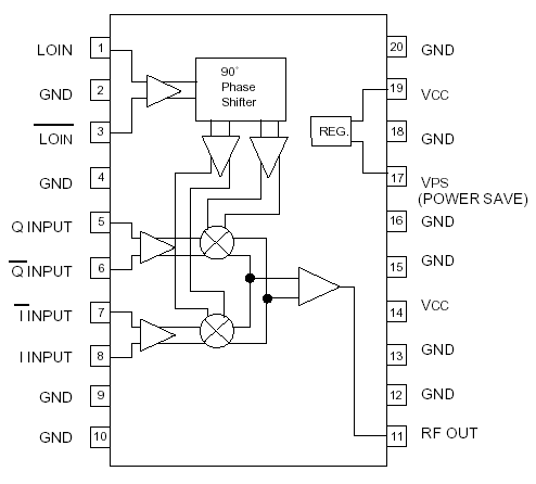
Features: • DIRECT MODULATION RANGE: 800 MHz TO 1 GHz• SUPPLY VOLTAGE RANGE: VCC = 2.7 V to 3.6 V• LOW OPERATION CURRENT: 24 mA TYP• LOW CURRENT SLEEP MODEPinoutSpecifications SYMBOLS PARAMETERS UNITS RATINGS VCCVPSPDTOPTSTG Supply VoltagePower Save ...
UPC8110GR: Features: • DIRECT MODULATION RANGE: 800 MHz TO 1 GHz• SUPPLY VOLTAGE RANGE: VCC = 2.7 V to 3.6 V• LOW OPERATION CURRENT: 24 mA TYP• LOW CURRENT SLEEP MODEPinoutSpecification...
SeekIC Buyer Protection PLUS - newly updated for 2013!
268 Transactions
All payment methods are secure and covered by SeekIC Buyer Protection PLUS.

|
SYMBOLS |
PARAMETERS |
UNITS |
RATINGS |
|
VCC VPS PD TOP TSTG |
Supply Voltage Power Save Voltage Power Dissipation2 Operating Temperature Storage Temperature |
V V mW |
4.0 4.0 430 -40 to +85 -55 to +150 |
The UPC8110GR is a silicon monolithic integrated circuit designed as a 1 GHz direct quadrature modulator for digital mobile communication systems. The device is manufactured using the NESAT III MMIC process and is housed in a 20 pin plastic SSOP package that contributes to miniaturizing the system. The device has power save function and operates on a 3 V supply voltage for low power consumption.
NEC's stringent quality assurance and test procedures ensure the highest reliability and performance.