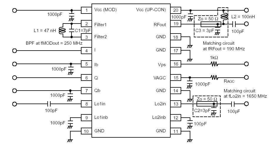
Features: • WIDE SUPPLY VOLTAGE RANGE: 2.7 to 5.5 V• OUTPUT FREQUENCY RANGE: 1.8 to 2.0 GHz• INTERNAL LPF TO REJECT LO & SPURIOUS LEAKAGE• PORTS FOR EXTERNAL IF FILTER• AGC FUNCTION: 40 dB RANGE• POWER SAVE FUNCTION• SMALL 20 PIN SSOP PACKAGE• TA...
UPC8125GR: Features: • WIDE SUPPLY VOLTAGE RANGE: 2.7 to 5.5 V• OUTPUT FREQUENCY RANGE: 1.8 to 2.0 GHz• INTERNAL LPF TO REJECT LO & SPURIOUS LEAKAGE• PORTS FOR EXTERNAL IF FILTER...
SeekIC Buyer Protection PLUS - newly updated for 2013!
268 Transactions
All payment methods are secure and covered by SeekIC Buyer Protection PLUS.

| SYMBOLS | PARAMETERS | UNITS | RATINGS |
| VCC | Supply Voltage | V | 6.0 |
| VPS | Power Save Control Voltage |
V | 6.0 |
| VAGC | AGC Control Voltage | V | 6.0 |
| PD | Power Dissipation2 | mW | 430 |
| TOP | Operating Temperature | °C | -40 to +85 |
| TSTG | Storage Temperature | °C | -55 to +150 |