RF Transmitter AGC Amplifier
SeekIC Buyer Protection PLUS - newly updated for 2013!
268 Transactions
All payment methods are secure and covered by SeekIC Buyer Protection PLUS.
| Type : | RF IC's | Package / Case : | QFN-20 |
| Operating Frequency : | 570 MHz |

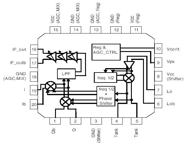
NEC's UPC8191K is a Silicon Microwave Monolithic Integrated Circuit designed as a transmitter/TX section for WCDMA. The UPC8191K is a TX-IF IC including IF-AGC amplifier and modulator. This IC is suitable for kit-use for WCDMA IF section.
This IC was developed using NEC's new ultra high seed silicon bipolar process.
NEC's stringent quality assurance and test procedures ensure the highest reliability and perormance.