Modulator / Demodulator TX-IF AGC + I/Q Mod
UPC8195K: Modulator / Demodulator TX-IF AGC + I/Q Mod
SeekIC Buyer Protection PLUS - newly updated for 2013!
268 Transactions
All payment methods are secure and covered by SeekIC Buyer Protection PLUS.
| Package / Case : | QFN-20 |

|
SYMBOLS |
PARAMETERS |
UNITS |
RATINGS |
|
VCC |
Supply Voltage |
V |
4.0 |
|
VPS, VCONT |
Applied Voltage |
V |
-0.3 to VCC+0.3 |
|
TA |
Ope rating Ambient Temperature |
-40 to +85 | |
|
TSTG |
Storage Temperature |
-55 to +150 | |
|
PD |
Power Dissipation |
mW |
309 |
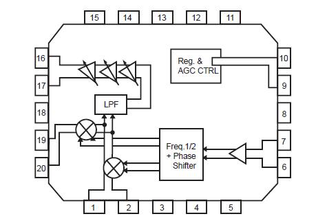
The UPC8195K is a Silicon Microwave Monolithic Integrated Circuit designed as a transmitter/TX section for W-CDMA. The UPC8195K is a TX-IF IC including IF-AGC amplifier and modulator. This IC is suitable for kit-use for W-CDMA IF section.
This IC was developed using NEC's new ultra high seed silicon bipolar process.
NEC's stringent quality assurance and test procedures ensure the highest reliability and perormance.