Features: • 48 V to 6 V V•I Chip Converter• 40.0 A (60.0 A for 1 ms)• High density 974 W/in3• Small footprint 220 W/in2• Low weight 0.5 oz (14 g)• Pick & Place / SMD• 125 operation• 1 s transient response• 3.5 million hours MTBF...
V048K060T040: Features: • 48 V to 6 V V•I Chip Converter• 40.0 A (60.0 A for 1 ms)• High density 974 W/in3• Small footprint 220 W/in2• Low weight 0.5 oz (14 g)• Pick &...
SeekIC Buyer Protection PLUS - newly updated for 2013!
268 Transactions
All payment methods are secure and covered by SeekIC Buyer Protection PLUS.
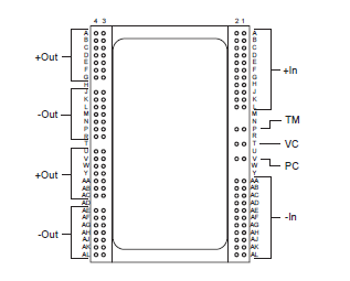
In applications requiring higher current or redundancy, VTMs can be operated in parallel without adding control circuitry or signal lines. To maximize current sharing accuracy, it is imperative that the source and load impedance on each VTM in a parallel array be equal. If VTMs are being fed by an upstream PRM, the VC nodes of all VTMs must be connected to the PRM VC.
To achieve matched impedances, dedicated power planes within the PC board should be used for the output and output return paths to the array of paralleled VTMs. This technique is preferable to using traces of varying size and length.
The VTM power train and control architecture allow bi-directional power transfer when the VTM is operating within its specified ranges. Bi-directional power processing improves transient response in the event of an output load dump. The VTM may operate in reverse, returning output power back to the input source. It does so efficiently.

|
Parameter |
Values |
Unit |
Notes |
| +In to -In |
-1.0 to 60.0 |
Vdc |
|
| +In to -In |
100 |
Vdc |
For 100 ms |
| PC to -In |
-0.3 to 7.0 |
Vdc |
|
| VC to -In |
-0.3 to 19.0 |
Vdc |
|
| +Out to -Out |
0.1 to15.0 |
Vdc |
|
| Isolation voltage |
2.250 |
Vdc |
Input to Ouput |
| Output current |
40.0 |
A |
Continuous |
| Peak output current |
60.0 |
A |
For 1 ms |
| Output power |
240 |
W |
Continuous |
| Peak output power |
360 |
W |
For 1 ms |
| Case temperature |
208 |
During reflow | |
| Operating junction temperature(1) |
-40 to 125 -55 to 125 |
|
T - Grade M - Grade |
| Storage temperature |
-40 to 150 -65 to 150 |
|
T - Grade M - Grade |
The V048K060T040 V•I Chip Voltage Transformation Module (VTM) excels at speed, density and efficiency to meet the demands of advanced DSP, FPGA, and ASIC at the point of load (POL) while providing isolation from input to output. It achieves a response time of less than 1 s and delivers up to 40.0 A in a volume of less than 0.25 in3 with unprecedented efficiency. It may be paralleled to deliver hundreds of amps at an output voltage settable from 3.25 to 6.87 Vdc.
The VTM V048K060T040's nominal output voltage is 6 Vdc from a 48 Vdc input Factorized Bus, Vf, and is controllable from 3.25 to 6.87 Vdc at no load, and from 2.95 to 6.60 Vdc at full load, over a Vf input range of 26 to 55 Vdc. It can be operated either open- or closedloop depending on the output regulation needs of the application. Operating open-loop, the output voltage tracks its Vf input voltage with a transformation ratio, K = 1/8 , for applications requiring a programmable output voltage at high current and high efficiency. Closing the loop back to an input Pre-Regulation Module (PRM) or DC-DC converter enables tight load regulation.
The 6 V VTM of the V048K060T040 achieves a power density of 974 W/in3 in a V•I Chip package compatible with standard pick-andplace and surface mount assembly processes. The V•I Chip BGA package supports in-board mounting with a low profile of 0.16" (4 mm) over the board. A J-lead package option supports on-board surface mounting with a profile of only 0.25" (6 mm) over the board. The VTM's fast dynamic response and low noise eliminate the need for bulk capacitance at the load, substantially increasing the POL density while improving reliability and decreasing cost.