IC MUX/DMUX 2CH 8MSOP
SeekIC Buyer Protection PLUS - newly updated for 2013!
268 Transactions
All payment methods are secure and covered by SeekIC Buyer Protection PLUS.
Features: High Speed Operation: tpd=5ns TYPOperating Voltage Range: 2V~5.5VLow Power Consumption: ...
| Series: | - | Manufacturer: | Torex Semiconductor Ltd |
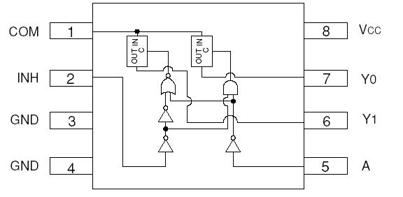
| Function: | Multiplexer/Demultiplexer | Circuit: | 1 x 2:1 |
| On-State Resistance: | 20 Ohm | Voltage Supply Source: | Single Supply |
| Voltage - Supply, Single/Dual (±): | 2 V ~ 5.5 V | Current - Supply: | - |
| Operating Temperature: | -40°C ~ 85°C | Mounting Type: | Surface Mount |
| Package / Case: | 8-TSSOP, 8-MSOP (0.110", 2.80mm Width) | Supplier Device Package: | 8-MSOPB |
| Package / Case : | HTQFP-64 EP |

| Characteristics | Symbol | Rating | Unit |
| Supply voltage range | VCC | −0.5~+6.0 | V |
| DC input voltage | VIN | −0.5~+6.0 | V |
| DC output voltage | VOUT | −0.5~VCC + 0.5 | V |
| Input diode current | IIK | −20 | mA |
| Output diode current | IOK | ±20 | mA |
| DC output current | IOUT | ±25 | mA |
| DC VCC/ground current | ICC,IGND | ±50 | mA |
| Power dissipation | PD | 300 | mW |
| Storage temperature | Tstg | −65~+150 |
XC74WL4053SR is 2-channel Analog Multiplexer/Demultiplexer manufactured using silicon gate CMOS processes. The small quiescent current, which is one of the features of the CMOS logic, gives way to high speed operations which enables LS-TTL.
With wave forming buffers connected internally, stabilized output can be achieved as the series offers high noise immunity.
As the series is integrated into a mini molded, MSOP-8B package, high density mounting is possible.