Features: • Various TV systems, PAL, NTSC, SECAM• Buffered output using high quality video amplifier• Gain is set using two external resistors• On chip sample/hold capacitor• 300 MHz bandwidth• 0.02% differential gain• 0.02° differential phase• +/-5V...
ZXFV4089: Features: • Various TV systems, PAL, NTSC, SECAM• Buffered output using high quality video amplifier• Gain is set using two external resistors• On chip sample/hold capacitor&...
SeekIC Buyer Protection PLUS - newly updated for 2013!
268 Transactions
All payment methods are secure and covered by SeekIC Buyer Protection PLUS.

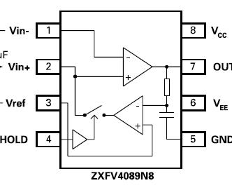
The ZXFV4089 is a DC restoring circuit and low-distortion video amplifier. It is specially designed to provide brightness level stability as a 'black-level clamp' in video systems with very low distortion and low power consumption.
A high fidelity video amplifier is combined with a sample-hold switch circuit using an external coupling capacitor to provide level-shifting of the video output such that a time-gated sample of the waveform is set to be equal to an external reference voltage (usually zero voltage). A buffered TTL/CMOS logic input signal controls the switch.
The gain is set externally by two resistors. In a typical application, the sample-hold circuit is gated on during part of the back-porch interval of an analog video waveform. Then the video waveform is stabilised for the remainder of the line-scan interval.