Features: • High Speed: tPD = 7ns (Typ) at VCC = 5V• Low Power Dissipation: ICC = 1mA (Max) at TA = 25°C• High Noise Immunity• Balanced Propagation Delays (tpLH = tpHL)• Output Drive Capability: 5 LSTTL• Symmetrical Output Impedance (IOH = IOL = 2mA)• ESD ...
MC74HC1G14: Features: • High Speed: tPD = 7ns (Typ) at VCC = 5V• Low Power Dissipation: ICC = 1mA (Max) at TA = 25°C• High Noise Immunity• Balanced Propagation Delays (tpLH = tpHL)•...
SeekIC Buyer Protection PLUS - newly updated for 2013!
268 Transactions
All payment methods are secure and covered by SeekIC Buyer Protection PLUS.
Features: Operating range: 38 to 47 Gb/s (min.) (note)Signal regeneration with full-rate clock sig...

| Characteristics | Symbol | Value | Unit |
| DC Supply Voltage | VCC | 0.5 to +7.0 | V |
| DC Input Voltage | VIN | 0.5 to VCC + 0.5 | V |
| DC Output Voltage | VOUT | 0.5 to VCC + 0.5 | V |
| Input Diode Current | IIK | ±20 | mA |
| Output Diode Current (VOUT < GND; VOUT > VCC) | IOK | ±20 | mA |
| DC Output Current, per Pin | IOUT | ±12.5 | mA |
| DC Supply Current, VCC and GND | ICC | ±25 | mA |
| Power dissipation in still air SC88A† TSOP5† |
PD | 200 450 |
mW |
| Lead temperature, 1 mm from case for 10 s | TL | 260 | °C |
| Storage temperature | Tstg | 65 to +150 | °C |
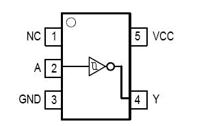
The MC74HC1G14 is a high speed CMOS inverter with SchmittTrigger input fabricated with silicon gate CMOS technology. It achieves high speed operation similar to equivalent LSTTL while maintaining CMOS low power dissipation.
The internal circuit MC74HC1G14 is composed of three stages, including a buffer output which provides high noise immunity and stable output.
The MC74HC1G14 output drive current is 1/2 compared to MC74HC series.