Features: • High Speed: tPD = 4.0ns (Typ) at VCC = 5V• Low Power Dissipation: ICC = 2mA (Max) at TA = 25°C• Power Down Protection Provided on Inputs• Balanced Propagation Delays• Pin and Function Compatible with Other Standard Logic Families• Latchup Performance...
MC74VHC1G14: Features: • High Speed: tPD = 4.0ns (Typ) at VCC = 5V• Low Power Dissipation: ICC = 2mA (Max) at TA = 25°C• Power Down Protection Provided on Inputs• Balanced Propagation Del...
SeekIC Buyer Protection PLUS - newly updated for 2013!
268 Transactions
All payment methods are secure and covered by SeekIC Buyer Protection PLUS.
Features: Operating range: 38 to 47 Gb/s (min.) (note)Signal regeneration with full-rate clock sig...

| Characteristics | Symbol | Value | Unit |
| DC Supply Voltage | VCC | 0.5 to +7.0 | V |
| DC Input Voltage | VIN | 0.5 to +7.0 | V |
| DC Output VoltageVCC = 0 High or Low State |
VOUT | 0.5 to +7.0 0.5 to VCC + 0.5 |
V |
| Input Diode Current | IIK | ±20 | mA |
| Output Diode Current (VOUT < GND; VOUT > VCC) | IOK | ±20 | mA |
| DC Output Current, per Pin | IOUT | ±25 | mA |
| DC Supply Current, VCC and GND | ICC | ±25 | mA |
| Power dissipation in still air SC88A? TSOP5? |
PD | 200 |
mW |
| Lead temperature, 1 mm from case for 10 s | TL | 260 | °C |
| Storage temperature | Tstg | 65 to +150 | °C |
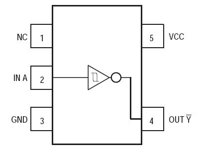
The MC74VHC1G14 is a single gate CMOS Schmitttrigger inverter fabricated with silicon gate CMOS technology. It achieves high speed operation similar to equivalent Bipolar Schottky TTL while maintaining CMOS low power dissipation.
The internal circuit is composed of three stages, including a buffer output which provides high noise immunity and stable output. The MC74VHC1G14 input structure provides protection when voltages up to 7V are applied, regardless of the supply voltage. This allows the MC74VHC1G14 to be used to interface 5V circuits to 3V circuits.
The MC74VHC1G14 can be used to enhance noise immunity or to square up slowly changing waveforms.