Features: • Supply voltage: VCC = 2.7 to 4.0 V, ICC = 28 mA @ VCC = 3.0 V• Built-in LPF suppresses spurious multipled by TX local (LO1)• AGC amplifier is installed in local port of up converter: GCR = 35 dB MIN. @ fout = 1.5 GHz• Excellent performance: Padj = 65 dBc TYP. @ ...
mPC8158K: Features: • Supply voltage: VCC = 2.7 to 4.0 V, ICC = 28 mA @ VCC = 3.0 V• Built-in LPF suppresses spurious multipled by TX local (LO1)• AGC amplifier is installed in local port of...
SeekIC Buyer Protection PLUS - newly updated for 2013!
268 Transactions
All payment methods are secure and covered by SeekIC Buyer Protection PLUS.

|
Parameter |
Symbol | Conditions | Rating | Unit |
| Supply Voltage | VCC | Pin11, 20 and 25, TA = +25°C |
5.0 | V |
| Power Save and AGC Control Pin Applied Voltage |
VPS/VAGC | Pin17, TA = +25°C | 5.0 | V |
| Power Dissipation | PD | TA = +85°CNote | 430 | mW |
| Operating Ambient Temperature | TA | 40 to +85 | ||
| Storage Temperature | Tstg | 55 to +150 |
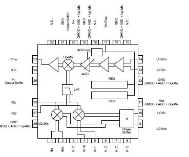
The mPC8158K is a silicon microwave monolithic integrated circuit designed as quadrature modulator for digital mobile communication systems. This MMIC consists of 0.8 GHz to 1.5 GHz up-converter and 100 MHz to 300 MHz quadrature modulator which are equipped with AGC and power save functions. This configuration suits to IF modulation system. The package is 28-pin QFN suitable for high density mounting. The mPC8158K is manufactured using NEC's. 20 GHz fT silicon bipolar process NESATTM III to realize low power consumption. Consequently the mPC8158K can contribute to make RF blocks smaller size, higher performance and lower power consumption.