Published:2011/5/19 8:03:00 Author:Robert | Keyword: Multi-Wave, Generator | From:SeekIC

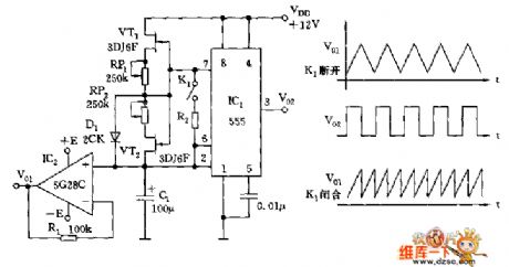
As shown, this circuit is a multivibrator oscillator made up by 555, C1 and constant current charging and discharging circuit. Thc IC2 uses 5G28C as a high-impedance follower device to play the role of isolation and impedance transformation. The oscillator's charging and discharging are all for the constant current source. So its sawtooth wave has a good linearity. RP1 and RP2 are used to adjust the time constant of charging or discharging and the duty ratio separately.
The parameter shown in the picture's cycle time is 0.2ms~60s. When the K1 is disconnected, it would generate sawtooth wave whose cycle is a half of the triangle wave's.
Reprinted Url Of This Article:
http://www.seekic.com/circuit_diagram/555_Circuit/555_Multi_Wave_Generator_Circuit_1.html
Print this Page | Comments | Reading(3)
Code: