Low Cost Custom Prototype PCB Manufacturer

Basic Circuit

Index



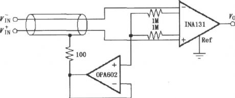
INA131 configuration of the shield drive circuit

Published:2014/5/18 20:27:00 Author:lynne | Keyword: INA131 configuration of the shield drive circuit, INA131, OPA602

INA131 configuration of the shield drive circuit
INA131 configuration of the shield drive circuit as shown: As shown by the shield drive circuit configured INA131. Evidenced by the interference theory and practice in the cable shield weak signal transmission with a certain potential, will greatly reduce the interference between the shield and the core introduced by the distributed capacitance coupling. The circuit is based on this consideration, with the OPA602 as constituting a voltage follower drive shield generator, the input signal from the internal op-amp instrumentation amplifier, OPA602 output to shield that shields the potential to be elevated to the internal amp potential of the output amplifier, so that the interference on the cable is significantly reduced. The presence of common mode voltage shielded line is driven, the resistance of the common mode gain of about 0.1%.   (View)

View full Circuit Diagram | Comments | Reading(2850)

Thermocouple constituted by the INA141 amplifier with cold junction compensation circuit

Published:2014/5/15 22:03:00 Author:lynne | Keyword: Thermocouple constituted by the INA141 amplifier with cold junction compensation circuit, INA141, Pt100, REF102

Thermocouple constituted by the INA141 amplifier with cold junction compensation circuit
Thermocouple constituted by the INA141 amplifier with cold junction compensation circuit as shown: As shown by INA141 constitute thermocouple with cold junction compensation amplifier circuit. REF102 precision reference power using thermocouples provide operating voltage, the voltage generated by the thermocouple INA114 preamp output. K-type thermocouple.   (View)

View full Circuit Diagram | Comments | Reading(3096)

Input current protection circuit constituted by the INA155/156

Published:2014/5/15 21:41:00 Author:lynne | Keyword: Input current protection circuit constituted by the INA155/156, INA155

Input current protection circuit constituted by the INA155/156
Input current protection circuit constituted by the INA155/156 circuit as shown: As shown by INA155/156 constitute input current protection circuit. INA155 inputs have internal electrostatic discharge (ESD) protection diodes, when the input voltage exceeds the supply voltage of 500mV, protection diodes will turn on, then RLIM will limit the input current (maximum 10mA), play a role in the protection circuit. Many of the input signal itself is limited streaming capabilities, which limit the flow resistance RLIM can not.   (View)

View full Circuit Diagram | Comments | Reading(2087)

Input current protection circuit constituted by the INA321/322

Published:2014/5/15 21:29:00 Author:lynne | Keyword: Input current protection circuit constituted by the INA321/322, INA321, INA322

Input current protection circuit constituted by the INA321/322
Input current protection circuit constituted by the INA321/322 circuit as shown: As shown by INA321/322 constitute input current protection circuit. INA321/322 inputs have internal electrostatic discharge (ESD) protection diodes, when the input voltage exceeds the supply voltage of 500mV, protection diodes will turn on, then RLIM will limit the input current (maximum 10mA), play a role in the protection circuit. Many of the input signal itself is limited streaming capabilities, which limit the flow resistance RLIM can not.   (View)

View full Circuit Diagram | Comments | Reading(2152)

Composed of INA331/332 direct drive capacitive input A/D converter

Published:2014/5/14 21:14:00 Author:lynne | Keyword: Composed of INA331/332 direct drive capacitive input A/D converter, INA331, ADS7818, ADS7822

Composed of INA331/332 direct drive capacitive input A/D converter
Composed of INA331/332 direct drive capacitive input A/D converter circuit as shown: As shown by INA331/332 consisting of direct drive capacitive input A/D converter. Because INA331/332 output for low resistance, when working in high frequency can be directly driving capacitive loads. The input voltage through the INA331 amplifier output, directly to 12 low-power high-speed sampling A/D converter ADS7818 or ADS7822. ADS7818 or ADS7822 internal input capacitance array (CDAC) D/A conversion, namely for the capacitive input, A/D converter input analog signal is converted to 12 digital signal output.   (View)

View full Circuit Diagram | Comments | Reading(1975)

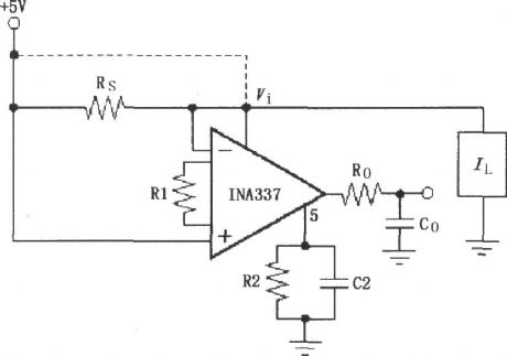
Composed of load current high-end INA337 shunt measurement circuit

Published:2014/5/14 21:12:00 Author:lynne | Keyword: Composed of load current high-end INA337 shunt measurement circuit, INA337

Composed of load current high-end INA337 shunt measurement circuit
Composed of load current high-end INA337 shunt measurement circuit as shown: As shown by INA337 high-end shunt measurement circuit composed of load current. The circuit adopts the sampling resistor Rs series between the source and load, load current IL through Rs will produce a voltage drop, the voltage drop reflects the changes in load current. Will be as input voltage, the voltage drop across the Rs after INA337 amplifier output. Should be paid attention to when selecting Rs in Rs on the formation of the Rail voltage drop cannot exceed supply voltage (maximum) 100 mv. R0, C0, output filter network, can filter out noise circuit output.   (View)

View full Circuit Diagram | Comments | Reading(2080)

Composed of INA337 output reference potential to VREF / 2 circuit

Published:2014/5/14 21:08:00 Author:lynne | Keyword: Composed of INA337 output reference potential to VREF / 2 circuit, INA337

Composed of INA337 output reference potential to VREF / 2 circuit
Composed of INA337 output reference potential to VREF / 2 circuit shown as follow: As shown by INA337 constitute the output of the reference potential for VREF / 2 circuits. When unbalanced bridge, the bridge output voltage by the output after INA337 magnified 100 times, after filter composed of Ro and Co filter out noise, and sent to the A/D converter converts analog signals to digital signals. In 5 feet with two 200 k Ω INA337 resistance partial pressure, VREF / 2 potential, potential to VREF / 2 to 5 feet. Output voltage is 5 feet for reference potential, so the output potential becomes relatively to VREF / 2 for reference. G = 2 (200 k Ω ∥ Ω) 200 k / 2 k Ω = 100.   (View)

View full Circuit Diagram | Comments | Reading(2371)

High-precision 50Hz time base circuit and its application

Published:2014/5/12 20:56:00 Author:lynne | Keyword: High-precision 50Hz time base circuit and its application, CD4060, CD4013, 3DG12A, 8050, 8550

High-precision 50Hz time base circuit and its application
High-precision 50Hz time base circuit and its application shown as follow:   (View)

View full Circuit Diagram | Comments | Reading(2826)

3.955-4.455MHz VF0 circuit

Published:2014/5/8 22:30:00 Author:lynne | Keyword: 3.955-4.455MHz VF0 circuit, 2N4142

3.955-4.455MHz VF0 circuit
3.955-4.455MHz VF0 circuit diagram: This circuit is a 80 meter band with 455kHz IF receiver in the LC oscillator circuit.   (View)

View full Circuit Diagram | Comments | Reading(2794)

High-frequency transmitter circuit diagram 315M

Published:2014/5/6 22:43:00 Author:lynne | Keyword: High-frequency transmitter circuit diagram 315M

High-frequency transmitter circuit diagram 315M
High-frequency transmitter circuit diagram 315M:   (View)

View full Circuit Diagram | Comments | Reading(3396)

With 300 MHZ loose swing frequency modulation circuit

Published:2014/5/5 20:31:00 Author:lynne | Keyword: With 300 MHZ loose swing frequency modulation circuit

With 300 MHZ loose swing frequency modulation circuit
With 300 MHZ loose swing frequency modulation circuit as shown:   (View)

View full Circuit Diagram | Comments | Reading(2092)

Stable sine wave circuit diagram

Published:2014/5/4 19:50:00 Author:lynne | Keyword: Stable sine wave circuit diagram, μA741, 2N4861

Stable sine wave circuit diagram
Stable sine wave circuit diagram as shown:   (View)

View full Circuit Diagram | Comments | Reading(2761)

Precision current sink circuit diagram

Published:2014/4/27 23:00:00 Author:lynne | Keyword: Precision current sink circuit diagram

Precision current sink circuit diagram
Precision current sink circuit diagram as shown:   (View)

View full Circuit Diagram | Comments | Reading(2795)

With a logic circuit, composed of diodes and transistors waveform and its working circuit diagram

Published:2014/4/27 23:00:00 Author:lynne | Keyword: With a logic circuit, composed of diodes and transistors waveform and its working circuit diagram

With a logic circuit, composed of diodes and transistors waveform and its working circuit diagram
With a logic circuit, composed of diodes and transistors waveform and its working circuit diagram shown as follow:   (View)

View full Circuit Diagram | Comments | Reading(2259)

NOT circuit diagram of a transistor

Published:2014/4/27 22:57:00 Author:lynne | Keyword: NOT circuit diagram of a transistor

NOT circuit diagram of a transistor
NOT circuit diagram of a transistor as shown:   (View)

View full Circuit Diagram | Comments | Reading(2150)

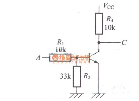
A diode and a resistor circuit constituted and Circuit C = A · B

Published:2014/4/27 22:55:00 Author:lynne | Keyword: A diode and a resistor circuit constituted AND Circuit C = A · B

A diode and a resistor circuit constituted and Circuit C = A · B
A diode and a resistor circuit constituted AND Circuit C = A · B shown as follow:   (View)

View full Circuit Diagram | Comments | Reading(2039)

Logic circuit diagram constituted by transistor

Published:2014/4/27 22:32:00 Author:lynne | Keyword: Logic circuit diagram constituted by transistor

Logic circuit diagram constituted by transistor
Logic circuit diagram constituted by transistor shown as follow:   (View)

View full Circuit Diagram | Comments | Reading(2236)

Use full adder of four addition operation circuit diagram

Published:2014/4/24 21:08:00 Author:lynne | Keyword: Use full adder of four addition operation circuit diagram

Use full adder of four addition operation circuit diagram
Use full adder of four addition operation circuit diagram shown as follow:   (View)

View full Circuit Diagram | Comments | Reading(2169)

Use the OR circuit, composed of diodes and resistors C = A + B circuit diagram

Published:2014/4/24 21:07:00 Author:lynne | Keyword: Use the OR circuit, composed of diodes and resistors C = A + B circuit diagram

Use the OR circuit, composed of diodes and resistors C = A + B circuit diagram
Use the OR circuit, composed of diodes and resistors C = A + B circuit diagram as shown:   (View)

View full Circuit Diagram | Comments | Reading(2067)

Four addition and subtraction operation circuit diagram

Published:2014/4/24 21:06:00 Author:lynne | Keyword: Four addition and subtraction operation circuit diagram

Four addition and subtraction operation circuit diagram
Four addition and subtraction operation circuit diagram shown as follow:   (View)

View full Circuit Diagram | Comments | Reading(2513)

Pages:1/471 1234567891011121314151617181920Under 20