Published:2014/4/27 22:57:00 Author:lynne | Keyword: NOT circuit diagram of a transistor | From:SeekIC

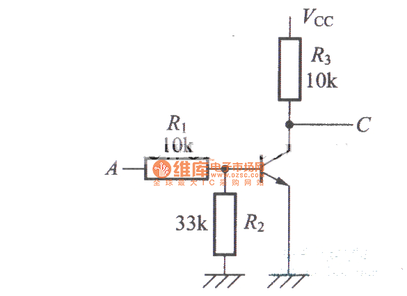
NOT circuit diagram of a transistor as shown:
Reprinted Url Of This Article:
http://www.seekic.com/circuit_diagram/Basic_Circuit/NOT_circuit_diagram_of_a_transistor.html
Print this Page | Comments | Reading(3)
Code: