Published:2014/3/3 20:36:00 Author:lynne | Keyword: Voice-activated music outlet produced by SK-Ⅱ circuit diagram,
Circuit is shown, which comprises an acoustic sensor, SK-Ⅱ voice circuit, the relay control circuit, a communication circuit, and the music sound buck rectifier circuit. BM acoustic / electric transducer. (View)
View full Circuit Diagram | Comments | Reading(1474)
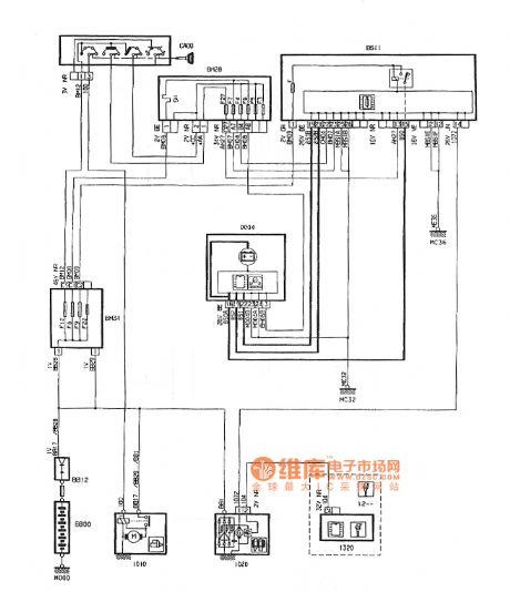
Published:2014/3/2 21:49:00 Author:lynne | Keyword: Dongfeng Peugeot Citroen Picasso 1.6L sedan starting and charging system circuit diagram,
Dongfeng Peugeot Citroen Picasso 1.6L sedan starting and charging system circuit diagram shown in Fig.:
(View)
View full Circuit Diagram | Comments | Reading(1361)
Published:2014/3/2 21:29:00 Author:lynne | Keyword: hid electronic ballast circuit diagram, IR2112


Using PM4020H design (HID) or high-pressure sodium lamp electronic ballast :Using high current push-pull circuit , can drive half-bridge and full- bridge circuit. Bridge output using low frequency AC , PM4020H single -ended drive built-in crossover frequency to 195Hz low frequency , thus eliminating the acoustic resonancePM4020H controllerHPM4020H control and drive HIDL integrates all the functions needed, it is suitable for metal halide ( such as car headlights, projector lamps, etc. ) , high-pressure mercury lamp and high pressure sodium high intensity discharge lamp controller driver and control. It contains a complete current mode pulse width modulator, a lamp power regulator, lamp temperature compensator and all fault protection.HPM4020H structure and function shown in Figure 1 . Using high current push-pull circuit , can drive half-bridge and full- bridge circuit. Bridge output using low frequency AC , PM4020H single -ended drive built-in crossover frequency to 195Hz low frequency , thus eliminating acoustic resonance . The discharge arc is unstable acoustic resonance phenomenon occurs when a high-frequency HIDL supply mechanism is pulsating pressure wave in the lamp is reflected from the inner wall of the tube , if the phase of the pulsed high-frequency current component is the same , the formation of standing waves generating acoustic resonance , ranging from light shake , heavy burning lamps and ballasts.As shown in Figure 1 shows the structure and function of HPM4020H:
Output of the controller uses a full-bridge inverter. The inverter operates at the frequency 195Hz, the average lamp voltage is zero. Bridge is driven by foot QOUT and QOUT output, they are 50% duty cycle, a difference of 180 °. Using IR2112 driver high and low of the MOSFET. The cost of this approach is expensive, can directly drive the low-end and high-end using a high-voltage transistor, a resistor and pull the correct phase. The following is a detailed circuit diagram.
(View)
View full Circuit Diagram | Comments | Reading(5019)
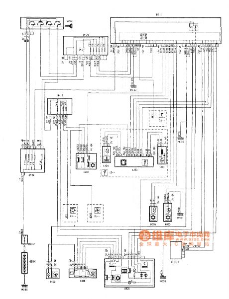
Published:2014/3/2 21:18:00 Author:lynne | Keyword: Dongfeng Peugeot Citroen Picasso 2.0L car theft transponder circuit,
Dongfeng Peugeot Citroen Picasso 2.0L car theft transponder circuit shown in Figure:
(View)
View full Circuit Diagram | Comments | Reading(1239)
Published:2014/3/2 20:39:00 Author:lynne | Keyword: 50w electronic ballast circuit diagram, IN4007, C3093, AC220V
This circuit shows the electronic transformer, input AC220V, output is AC12V, power up to 50W. It is primarily developed out on the basis of high-frequency electronic ballast circuit on a transformer circuit, stable performance, small size, high power, thus overcoming the traditional silicon steel transformer body big, bulky, price higher shortcomings.
Circuit is shown below. It works similar to the switching power supply, a diode bridge rectifier VD1 ~ VD4 constitute the mains into DC, high frequency oscillation circuit from oscillating transformer T1, the transistor VT1, VT2 composed of the pulsating DC into high frequency current, and then the iron Oxygen output transformer T2 high-frequency high-voltage pulse pressure, to obtain the desired voltage and power. R1 is a current limiting resistor. Resistor R2, capacitors C1 and bidirectional trigger diode VD5 constitute started trigger circuit. Transistor VT1, VT2 selection S13005, the B 15 to 20 times. C3093 can also be used, such as BUceo> = 35OV the power transistor. Trigger diode DB3 about VD5 use 32V or VR60. Oscillation transformer can be made with the audio-wound toroid on H7 X 10 X 6's. TIa, T1b 3 turns around, Tc around a turn. Ferrite output transformer T2 also need self-control, core selection of side length 27mm, width 20mm, 10mm thick EI type ferrite. T2a with a diameter of 0.45mm high strength wire wound 100 turns, T2b around with a diameter of 1.25mm high strength wire 8 turns. Selection IN4007 diode VD1 ~ VD4 type, two-way trigger diode DB3 type selection, selection of polypropylene capacitors C1 ~ C3 Polyester capacitors, voltage 250V.
When the circuit work, A point of working voltage of about 12V; B point about 25V; C point about 105V; D point about 10V. If the voltage does not meet the above values, or the circuit does not oscillate, you should check whether the fault circuit welding, weld or Weld. Then check VT1, VT2 is good, T1a, T1b phase is correct. After the success of the entire circuit alignment, can be loaded with a small box made of metal material, made conducive shielding and heat dissipation, but must pay attention to insulation circuit and housing. Cited, the change in T2 a, b two coil turns, you can change the high-frequency voltage output.
50w electronic ballast circuit diagram shown in Fig. :
(View)
View full Circuit Diagram | Comments | Reading(2402)
Published:2014/2/27 20:23:00 Author:lynne | Keyword: Dongfeng Peugeot Citroen Picasso 1.6L sedan airbag seatbelt pre-tensioners circuit,
Dongfeng Peugeot Citroen Picasso 1.6L sedan airbag seatbelt pre-tensioners circuit shown in Figure:
(View)
View full Circuit Diagram | Comments | Reading(1363)
Published:2014/2/27 20:59:00 Author:lynne | Keyword: Dongfeng Peugeot Citroen Picasso 1.6L car theft transponder circuit,
Dongfeng Peugeot Citroen Picasso 1.6L car theft transponder circuit shown in Figure:
(View)
View full Circuit Diagram | Comments | Reading(1082)
Published:2014/2/26 20:36:00 Author:lynne | Keyword: Dongfeng Peugeot Citroen Picasso 2.0L sedan deputy air conditioning circuit,
Dongfeng Peugeot Citroen Picasso 2.0L sedan deputy air conditioning circuit shown in Figure:
(View)
View full Circuit Diagram | Comments | Reading(1294)
Published:2014/2/26 20:38:00 Author:lynne | Keyword: Dongfeng Peugeot Citroen Picasso 2.0L sedan airbag seatbelt pre-tensioners circuit,
Dongfeng Peugeot Citroen Picasso 2.0L sedan airbag seatbelt pre-tensioners circuit shown in Figure:
(View)
View full Circuit Diagram | Comments | Reading(1702)
Published:2014/2/25 20:43:00 Author:lynne | Keyword: Dongfeng Peugeot Citroen Picasso 2.0L sedan automatic air conditioning circuit,
Dongfeng Peugeot Citroen Picasso 2.0L sedan automatic air conditioning circuit shown in Figure:
(View)
View full Circuit Diagram | Comments | Reading(1258)
Published:2014/2/25 20:28:00 Author:lynne | Keyword: Dongfeng Peugeot Citroen Picasso 2.0L sedan air conditioning circuit,
Dongfeng Peugeot Citroen Picasso 2.0L sedan air conditioning circuit shown in Figure:
(View)
View full Circuit Diagram | Comments | Reading(1287)
Published:2014/2/25 20:24:00 Author:lynne | Keyword: Transistor metal detector circuit diagram I,
Transistor metal detector circuit diagram I shown in Figure:
(View)
View full Circuit Diagram | Comments | Reading(2977)
Published:2014/2/25 20:20:00 Author:lynne | Keyword: Transistor metal detector circuit diagram II,
Transistor metal detector circuit diagramII shown in Figure:
(View)
View full Circuit Diagram | Comments | Reading(1626)
Published:2014/2/25 20:17:00 Author:lynne | Keyword: Dongfeng Peugeot Citroen Picasso 1.6L sedan air conditioning circuit diagram,
Dongfeng Peugeot Citroen Picasso 1.6L sedan air conditioning circuit diagram as shown:
(View)
View full Circuit Diagram | Comments | Reading(1489)
Published:2014/2/20 20:35:00 Author:lynne | Keyword: Voltage monitor circuit diagram,
Voltage monitor circuit diagram shown in Fig.:
(View)
View full Circuit Diagram | Comments | Reading(1376)
Published:2014/2/18 20:22:00 Author:lynne | Keyword: Dragon Picasso 2.0 L car dipped headlight high beam circuit diagram,
Dragon Picasso 2.0 L car dipped headlight high beam circuit diagram as shown:
(View)
View full Circuit Diagram | Comments | Reading(988)
Published:2014/2/17 21:33:00 Author: | Keyword: Active input rectifier circuit diagram,
View full Circuit Diagram | Comments | Reading(977)
Published:2014/2/17 20:17:00 Author:lynne | Keyword: RTl8019as2 card circuit diagram,
RTl8019as2 card circuit diagram shown in Fig.:
(View)
View full Circuit Diagram | Comments | Reading(827)
Published:2014/2/17 20:56:00 Author:lynne | Keyword: PV8651 USB-to-serial circuit diagram,
PV8651 USB-to-serial circuit diagram shown in figure:
(View)
View full Circuit Diagram | Comments | Reading(1075)
Published:2014/2/16 21:33:00 Author: | Keyword: Single phase full bridge PWM rectifier circuit principle diagram,
View full Circuit Diagram | Comments | Reading(2055)
| Pages:6/471 1234567891011121314151617181920Under 20 |