Published:2009/7/1 19:57:00 Author:May | From:SeekIC

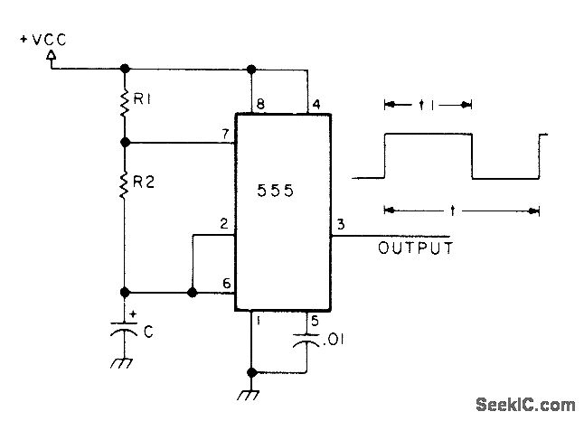
Produces repetitive rectangular output at frequency equal to 1.443/(R1 + 2R2)C hertz. Duty cycle is determined by values of R1 and R2; R2 must be much larger than R1 to obtain nearly a 50% duty cycle. Normal range for duty cycle is S1 to 99%. VCC is 4.5-16 V at 3-10 mA.-H. M. Berlin, IC Timer Review, 73 Magazine, Jan. 1978, p 40-45.
Reprinted Url Of This Article:
http://www.seekic.com/circuit_diagram/555_Circuit/555_astable.html
Print this Page | Comments | Reading(3)
Code: