Published:2011/4/25 1:32:00 Author:Rebekka | Keyword: ACCORD , airbag system | From:SeekIC

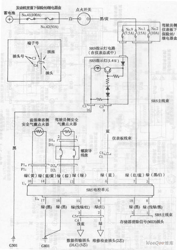
ACCORD airbag system circuit diagramis shown as above.
Reprinted Url Of This Article:
http://www.seekic.com/circuit_diagram/555_Circuit/ACCORD_airbag_system_circuit_diagram.html
Print this Page | Comments | Reading(3)
Code: