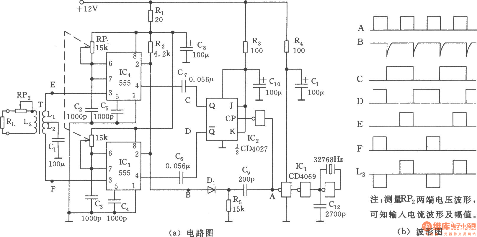
Published:2011/4/20 1:45:00 Author:Ecco | Keyword: Alternating , polarity, pulse width , modulator, 555 | From:SeekIC

Reprinted Url Of This Article:
http://www.seekic.com/circuit_diagram/555_Circuit/Alternating_polarity_pulse_width_modulator555.html
Print this Page | Comments | Reading(3)
Code: