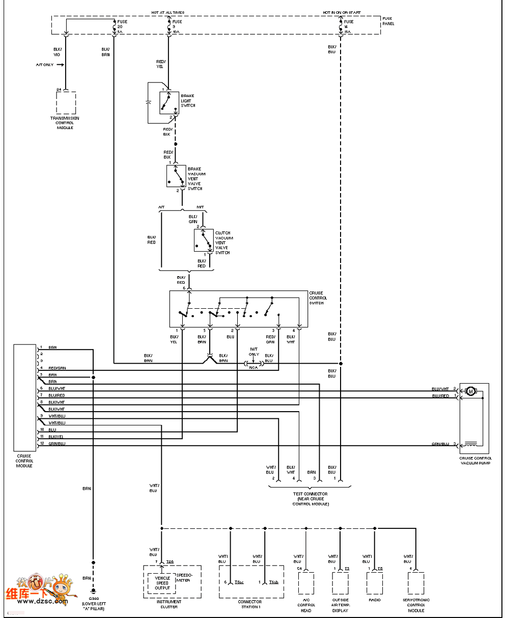
Published:2011/9/14 21:02:00 Author:John | Keyword: Cruise Control | From:SeekIC

Reprinted Url Of This Article:
http://www.seekic.com/circuit_diagram/555_Circuit/Audi_Cruise_Control_circuit.html
Print this Page | Comments | Reading(3)
Code: