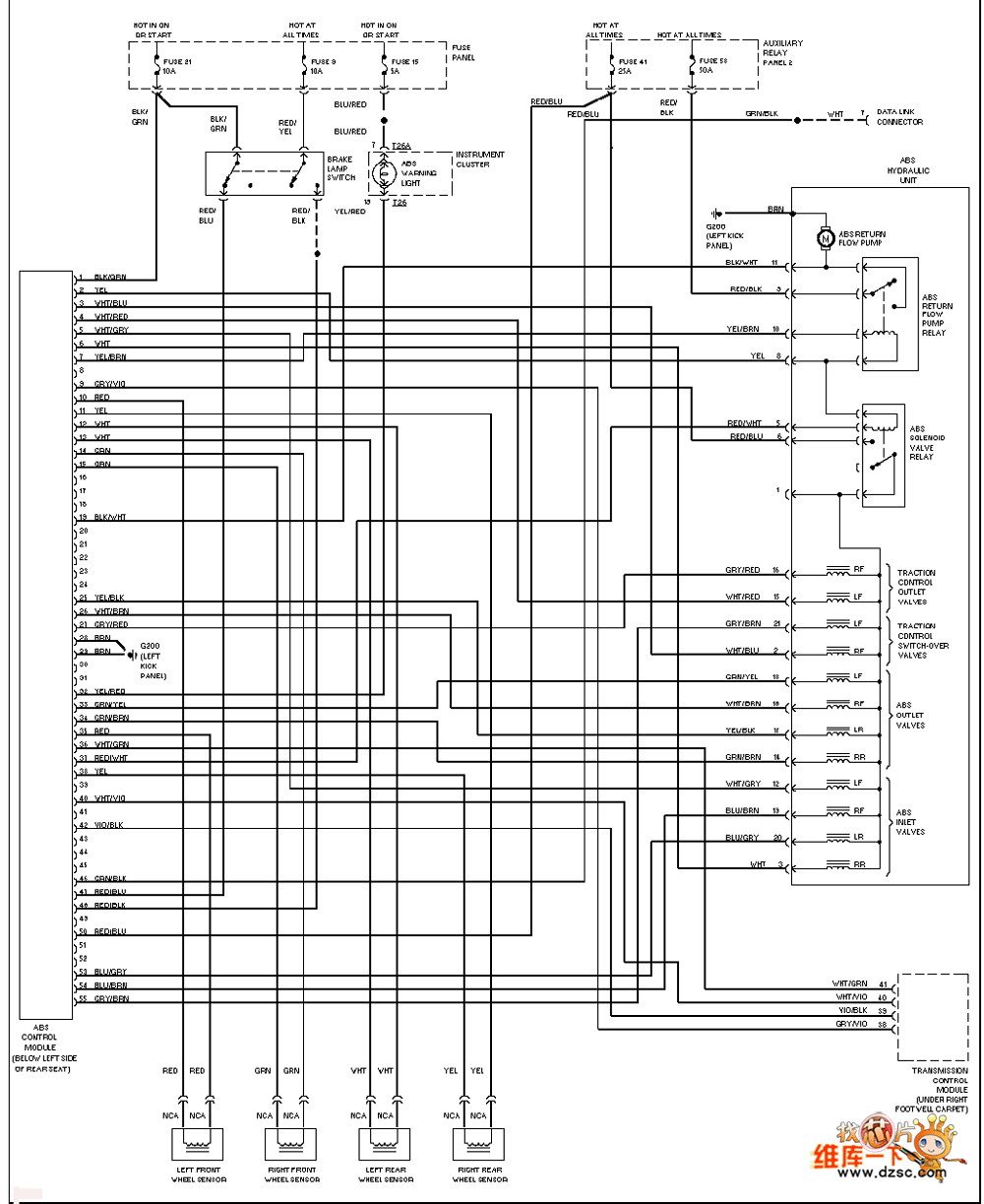
Published:2011/6/25 10:47:00 Author:John | Keyword: Anti-lock | From:SeekIC

Reprinted Url Of This Article:
http://www.seekic.com/circuit_diagram/555_Circuit/Audi_FQuattro_Anti_lock_braking_circuit.html
Print this Page | Comments | Reading(3)
Code: