Published:2011/7/4 0:46:00 Author:John | Keyword: air conditioning fan | From:SeekIC

Reprinted Url Of This Article:
http://www.seekic.com/circuit_diagram/555_Circuit/Audi_air_conditioning_fan_circuit.html
Print this Page | Comments | Reading(3)
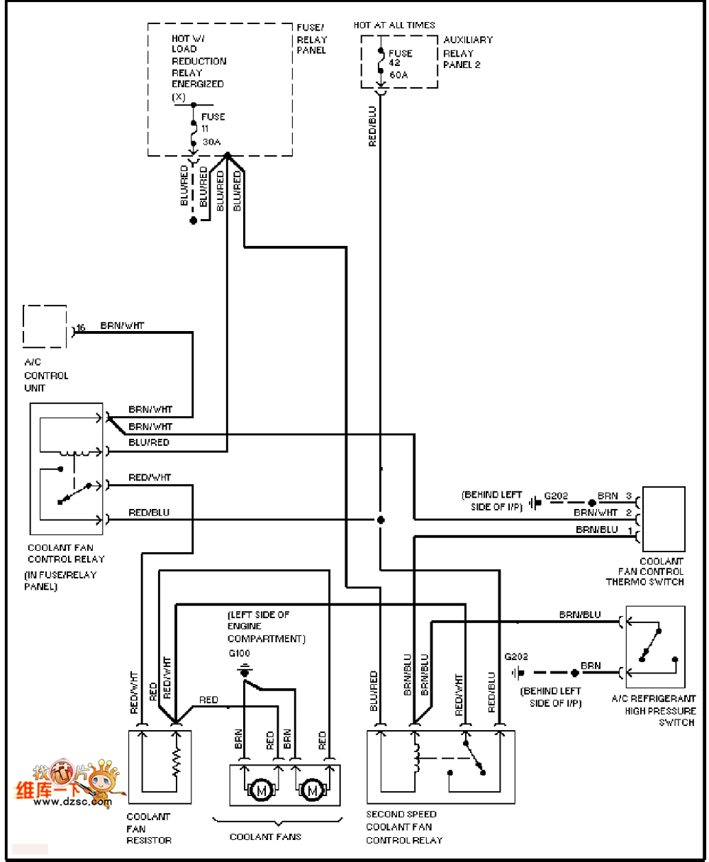
Code: