Published:2011/6/30 10:19:00 Author:John | Keyword: instrument | From:SeekIC

Reprinted Url Of This Article:
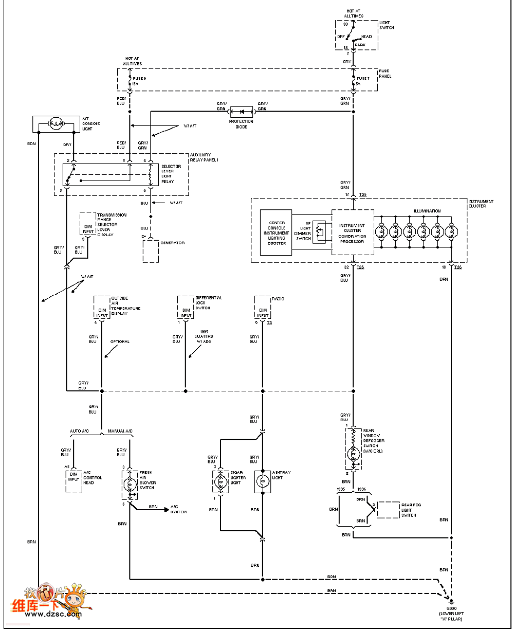
http://www.seekic.com/circuit_diagram/555_Circuit/Audi_instrument_lighting_circuit.html
Print this Page | Comments | Reading(3)
Code: