Published:2009/6/24 3:47:00 Author:Jessie | From:SeekIC


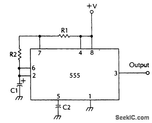
F=1.44(R1=2R2)C1
Reprinted Url Of This Article:
http://www.seekic.com/circuit_diagram/555_Circuit/BASIC_555_ASTABLE_MULTIVIBRATOR.html
Print this Page | Comments | Reading(3)
Code: