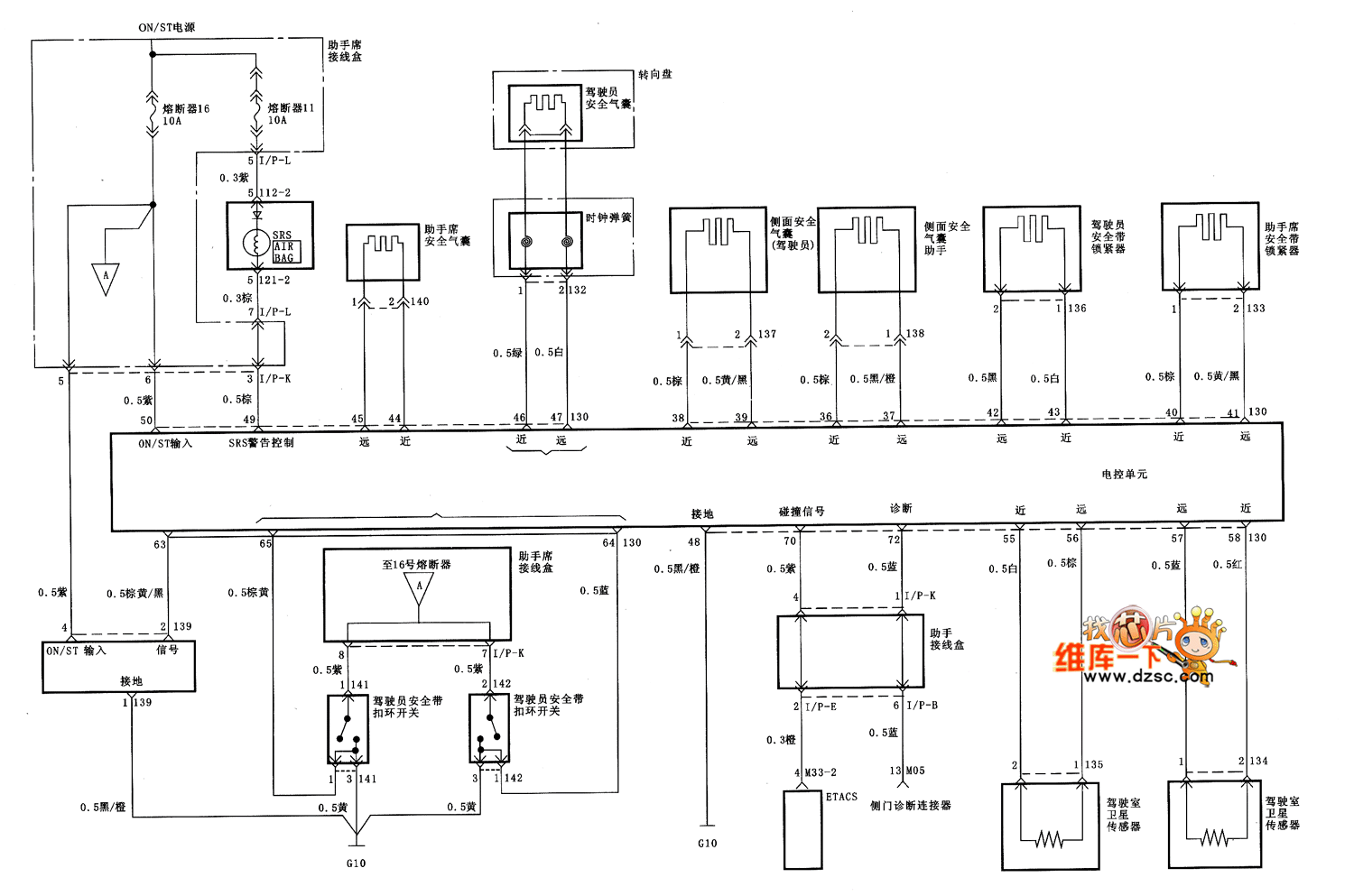
Published:2013/12/26 20:53:00 Author:lynne | Keyword: Beijing Hyundai Sang Nata airbag system circuit diagram, | From:SeekIC

Beijing Hyundai Sang Nata airbag system circuit diagram is shown below:
Reprinted Url Of This Article:
http://www.seekic.com/circuit_diagram/555_Circuit/Beijing_Hyundai_Sang_Nata_airbag_system_circuit_diagram.html
Print this Page | Comments | Reading(3)
Code: