Published:2011/5/9 3:30:00 Author:Robert | Keyword: Bicyle, Bell | From:SeekIC

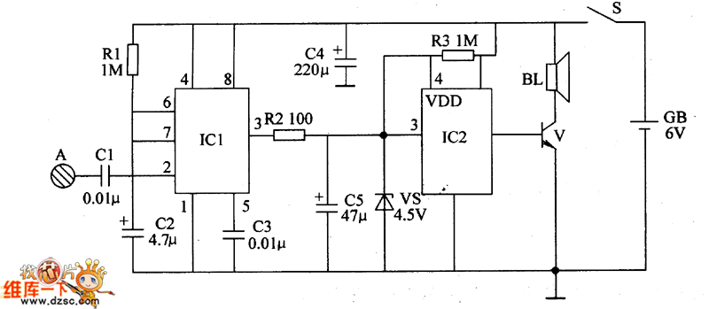
The bicycle bell circuit intruduced in this example can give the voice tone: Please make way, thank you after the touching by hands.The circuit's working principle is shown below.This bycycle bell circuit is made up by monostable trigger and voice circuit which is shown in the picture below.The monostable trigger circuit is made up by time-reference integrated circuit IC1, touching electrode A, capacitors C1~C3 and resistance R1.The voice circuit is made up by voice integrated circuit IC2, zener diode VS, resistance R2, R3, audio amplification transistor V and speaker BL.When the power switch S is connected, the monostable trigger is in stable mode. IC1's 3 foot outputs low voltage level to make the voice integrated circuit IC2's 3 foot and 4 foot be low voltage level. The transistor V is disconnected and the speaker B has no sound.When the touching electrode A is touched by hands, the human body sensing signal is transmitted to IC1's 2 foot through the capacitor C1 to trigger IC1 to change the stable mode to transient mode. Its 3 foot outputs high voltage level to make the IC2's 3 foot and 4 foot turn to be high voltage level. The transistor V is connected and speaker BL would play the voice tone.Each time the touching electrode A is touched, IC1's invert transient time would be 5s and the voice circuit would play twice the voice tone.
Reprinted Url Of This Article:
http://www.seekic.com/circuit_diagram/555_Circuit/Bicyle_Bell_Circuit_1.html
Print this Page | Comments | Reading(3)
Code: