Published:2009/7/6 7:15:00 Author:May | From:SeekIC

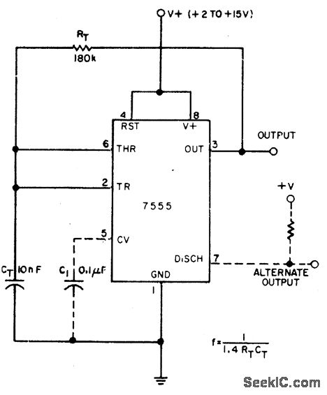
A CMOS timer generates true square waves because, unlike the bipolar 555, its output swings from rail to rail. The component values shown give a frequency of about 400 Hz.
Reprinted Url Of This Article:
http://www.seekic.com/circuit_diagram/555_Circuit/CMOS_555_ASTABLE_GENERATES_TRUE_RAIL_TO_RAIL_SQUARE_WAVES.html
Print this Page | Comments | Reading(3)
Code: