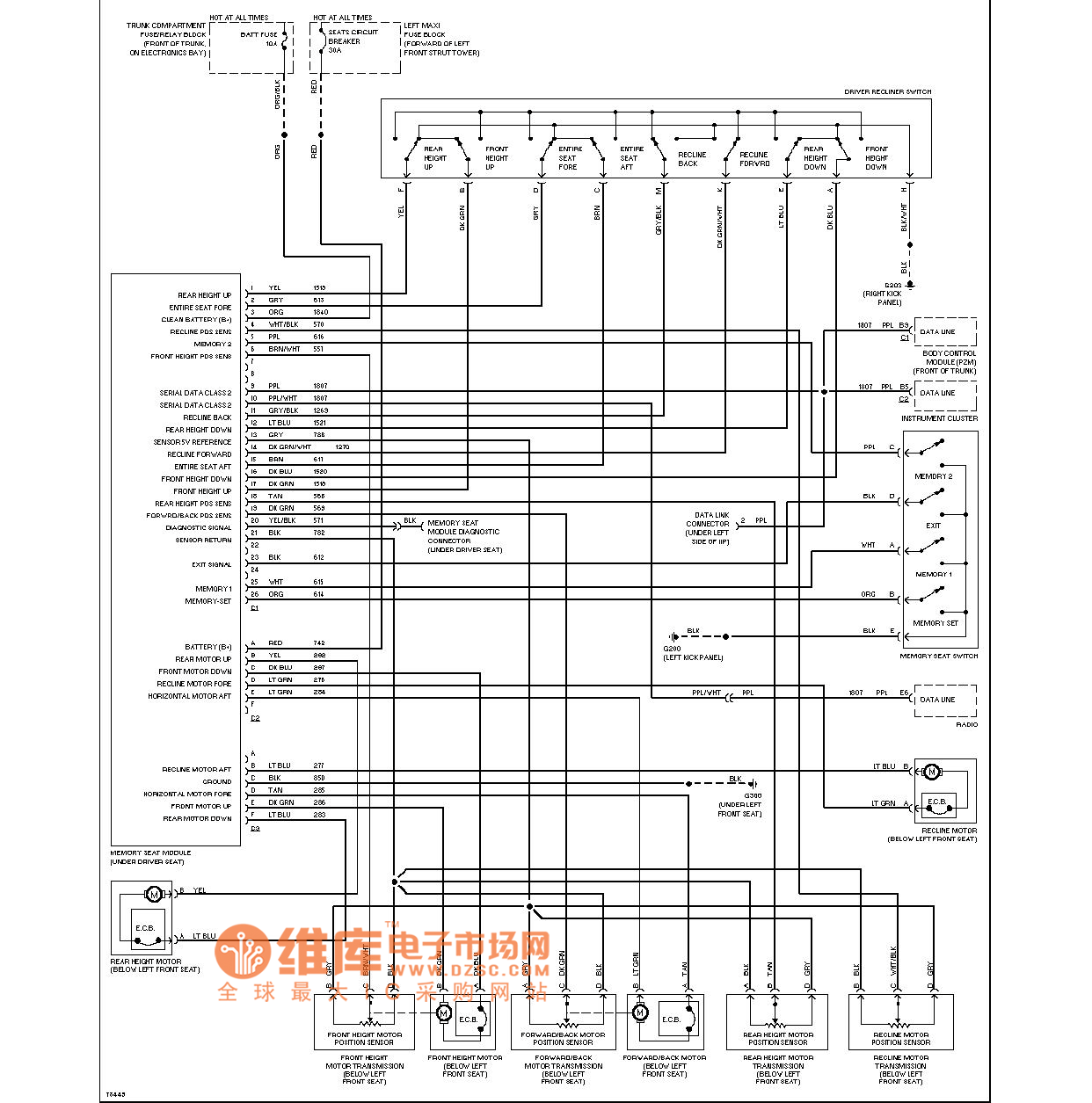
Published:2011/4/13 3:32:00 Author:Jessie | Keyword: seat memory | From:SeekIC

Reprinted Url Of This Article:
http://www.seekic.com/circuit_diagram/555_Circuit/Cadillac_seat_memory_circuit.html
Print this Page | Comments | Reading(3)
Code: