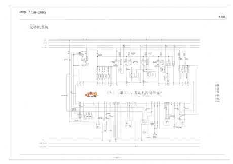
Published:2011/7/6 9:07:00 Author:John | Keyword: full car | From:SeekIC

Reprinted Url Of This Article:
http://www.seekic.com/circuit_diagram/555_Circuit/Chery_A5_A520_full_car_circuit.html
Print this Page | Comments | Reading(3)
Code: