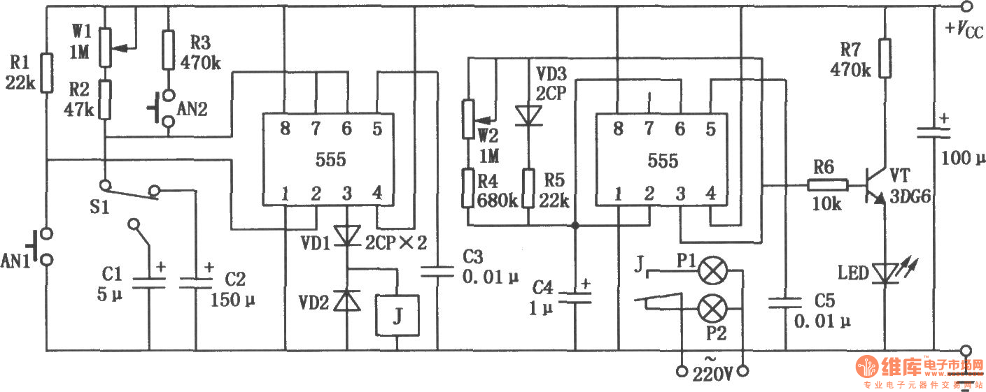
Published:2011/4/18 20:00:00 Author:Ecco | Keyword: Darkroom , time controller, 555 | From:SeekIC

Reprinted Url Of This Article:
http://www.seekic.com/circuit_diagram/555_Circuit/Darkroom_time_controller_composed_of_555.html
Print this Page | Comments | Reading(3)
Code: