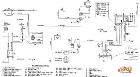
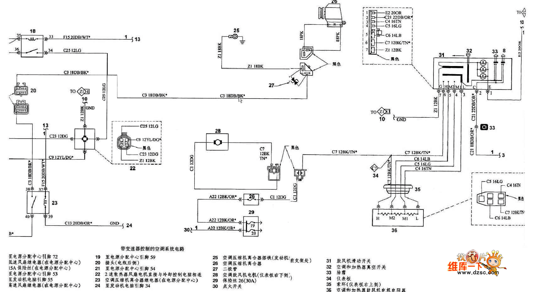
Published:2011/6/8 7:29:00 Author:chopper | Keyword: Dodge, air-conditioning, transmission control | From:SeekIC

Reprinted Url Of This Article:
http://www.seekic.com/circuit_diagram/555_Circuit/Dodge_air_conditioning_with_transmission_control_circuit.html
Print this Page | Comments | Reading(3)
Code: