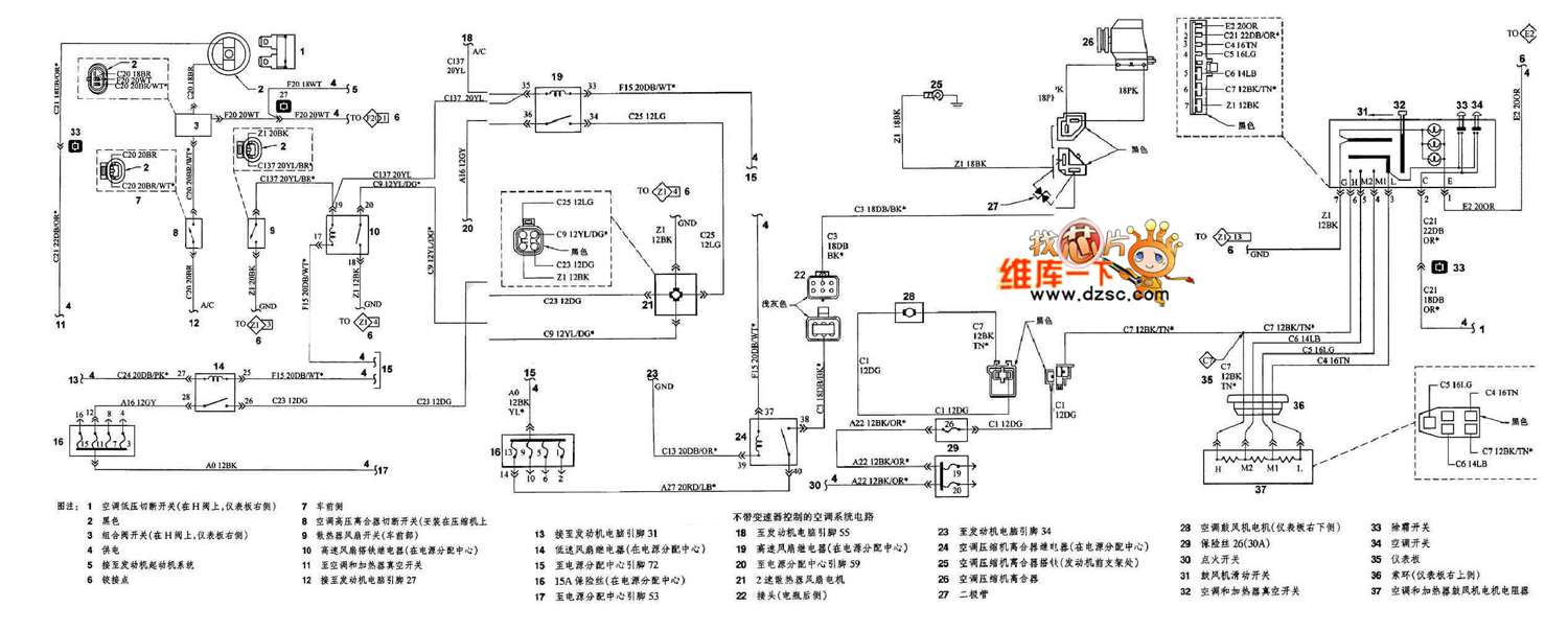
Published:2011/6/8 20:12:00 Author:chopper | Keyword: Dodge, air-conditioning, transmission | From:SeekIC

Reprinted Url Of This Article:
http://www.seekic.com/circuit_diagram/555_Circuit/Dodge_air_conditioning_without_transmission_circuit.html
Print this Page | Comments | Reading(3)
Code: