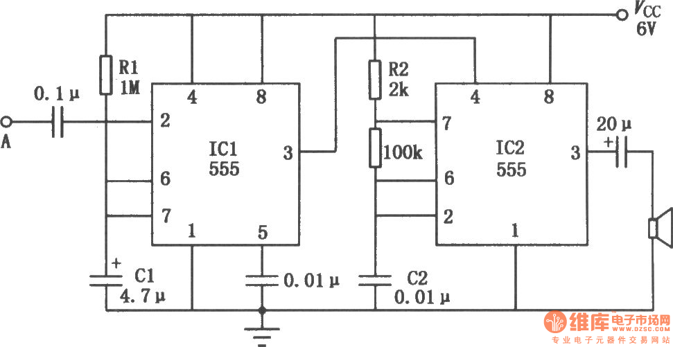
Published:2011/4/18 2:48:00 Author:Ecco | Keyword: Electronic , touch , game console , 555 | From:SeekIC

Reprinted Url Of This Article:
http://www.seekic.com/circuit_diagram/555_Circuit/Electronic_touch_game_console_composed_of_555.html
Print this Page | Comments | Reading(3)
Code: