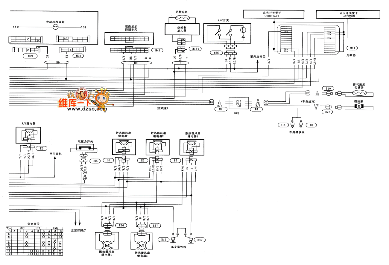
Published:2013/12/11 19:43:00 Author:lynne | Keyword: Fengshen Bluebird EQ7200-Ⅱ car circuit diagram (three), | From:SeekIC

Fengshen Bluebird EQ7200-Ⅱ car circuit diagram (three) as follows:
Reprinted Url Of This Article:
http://www.seekic.com/circuit_diagram/555_Circuit/Fengshen_Bluebird_EQ7200_Ⅱ_car_circuit_diagram_three.html
Print this Page | Comments | Reading(3)
Code: