Position: Home > Circuit Diagram > 555 Circuit > Fengshen Bluebird EQ7200-Ⅱ car circuit diagram (two)

555 Circuit

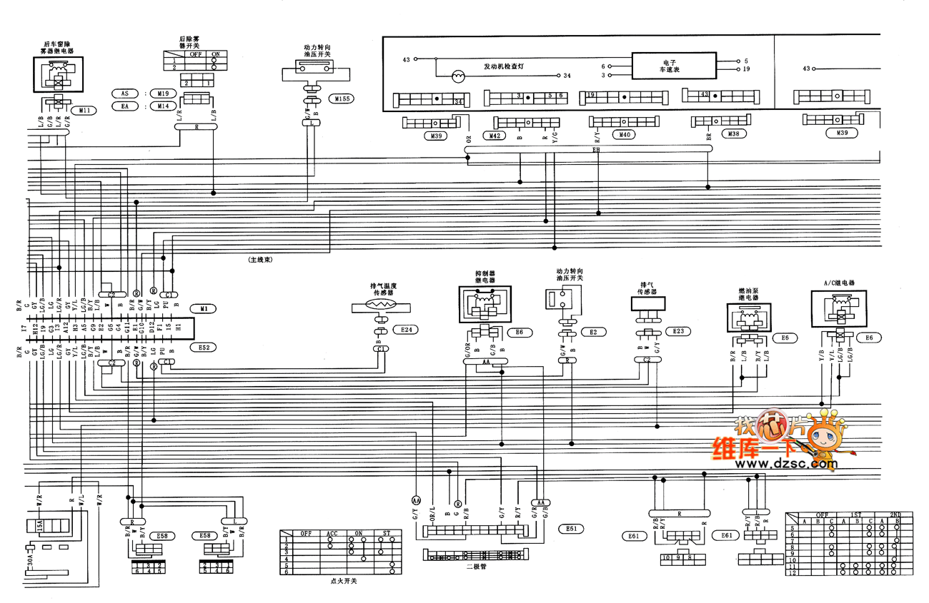
Fengshen Bluebird EQ7200-Ⅱ car circuit diagram (two)

Published:2013/12/11 20:28:00 Author:lynne | Keyword: Fengshen Bluebird EQ7200-Ⅱ car circuit diagram (two) | From:SeekIC

Print this Page | Comments | Reading(3)

To evaluate my
Code: