Published:2013/12/10 20:45:00 Author:lynne | Keyword: Fengshen Bluebird EQ7200-Ⅱ sedan ECCS Diagram (five), | From:SeekIC

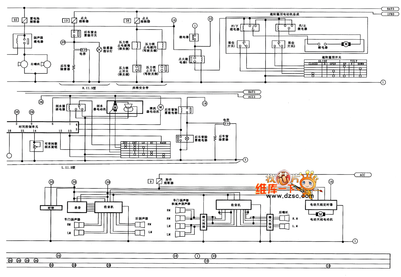
Fengshen Bluebird EQ7200-Ⅱ sedan ECCS Diagram (five) as follows:
Reprinted Url Of This Article:
http://www.seekic.com/circuit_diagram/555_Circuit/Fengshen_Bluebird_EQ7200_Ⅱ_sedan_ECCS_Diagram_five.html
Print this Page | Comments | Reading(3)
Code: