Published:2011/6/4 13:07:00 Author:John | Keyword: Field-effect transistor | From:SeekIC

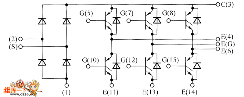
Field-effect transistor STG3P2M10N60B internal circuit is just shown below.
Reprinted Url Of This Article:
http://www.seekic.com/circuit_diagram/555_Circuit/Field_effect_transistor_STG3P2M10N60B_internal_circuit.html
Print this Page | Comments | Reading(3)
Code: