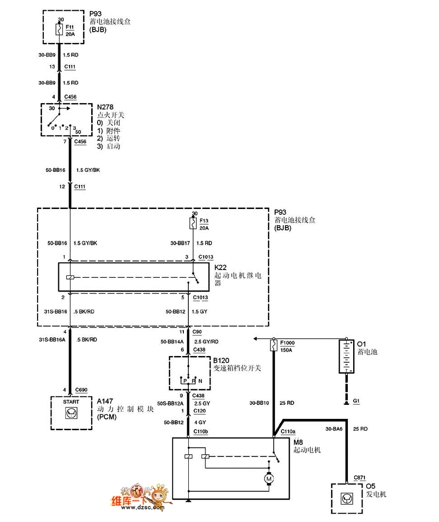
Published:2011/6/11 1:38:00 Author:chopper | Keyword: Ford Focus, automatic, gear-box | From:SeekIC

Reprinted Url Of This Article:
http://www.seekic.com/circuit_diagram/555_Circuit/Ford_Focus_automatic_gear_box_circuit.html
Print this Page | Comments | Reading(3)
Code: