Published:2011/4/1 2:07:00 Author:Rebekka | Keyword: Kai Tai Lake, charging system | From:SeekIC

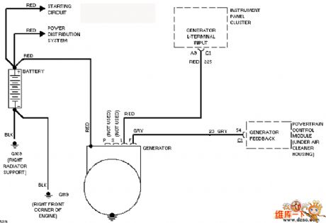
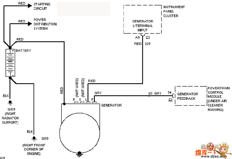
Kai Tai Lake charging system circuit diagram is shown as below.
Reprinted Url Of This Article:
http://www.seekic.com/circuit_diagram/555_Circuit/Kai_Tai_Lake_charging_system_circuit_diagram.html
Print this Page | Comments | Reading(3)
Code: