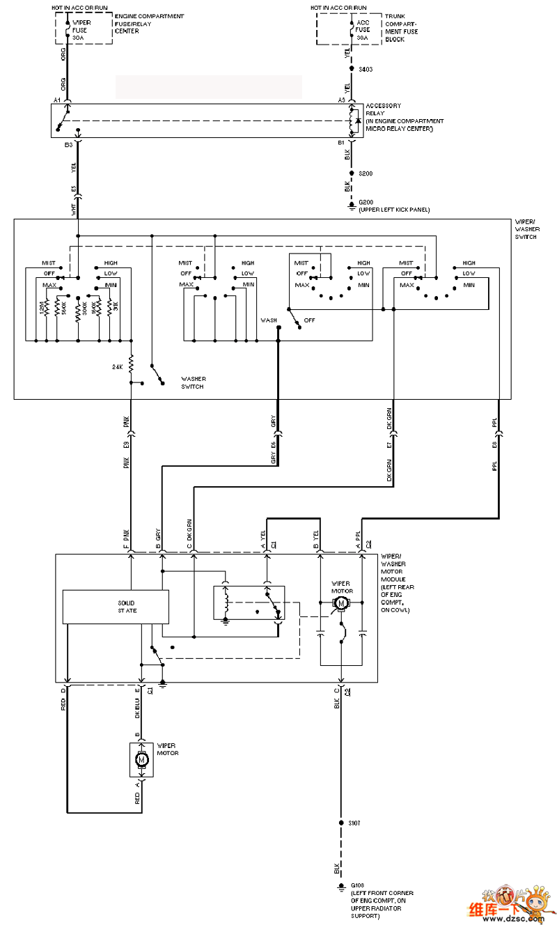
Published:2011/4/5 22:52:00 Author:Rebekka | Keyword: Kai Tai Lake, wiper washer | From:SeekIC

Reprinted Url Of This Article:
http://www.seekic.com/circuit_diagram/555_Circuit/Kai_Tai_Lake_wiper_washer_circuit_diagram.html
Print this Page | Comments | Reading(3)
Code: