Published:2009/6/24 4:35:00 Author:May | From:SeekIC


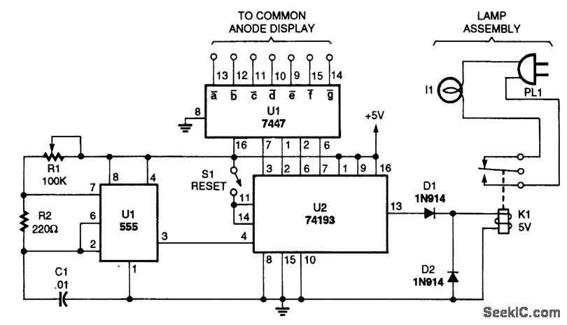
A timed switch uses a 555 oscillator/timer wired to operate in the astable mode. The timer sup-plies a positive pulse to the clock input of a 74193 4-bit binary up/down count every five minutes. Be-cause the 74193 is set to operate in the count-down mode, the output of the 555 is connected to the count-down input of the 74193.As the binary counter is reset, it starts counting at nine and counts down to zero with each clock pulse. When the counter hits zero, the output from the 74193 goes low, tuming off the relay and the light. The light can be tumed back on by pressing the reset button again.
Reprinted Url Of This Article:
http://www.seekic.com/circuit_diagram/555_Circuit/LAMP_TIMER.html
Print this Page | Comments | Reading(3)
Code: